时间:2017-12-21 13:37
人气:
作者:admin
美国IR公司的IR2110芯片是一种双通道、栅极驱动、高压高速功率器件的单片式集成驱动模块。由于它具有体积小、成本低、集成度高、响应速度快、偏值电压高、驱动能力强等特点,自推出以来,这种适于功率MOSFET、IGBT驱动的自举式集成电路在电机调速、电源变换等功率驱动领域中获得了广泛的应用。IR2110采用先进的自举电路和电平转换技术,大大简化了逻辑电路对功率器件的控制要求,使得每对MOSFET(上下管)可以共用一片IR2110,并且所有的IR2110可共用一路独立电源。对于典型的6管构成的三相桥式逆变器,可采用3片IR2110驱动3个桥臂,仅需1路10V~20V电源。这样,在工程上大大减少了驱动电路的体积和电源数目,简化了系统结构,提高了系统可靠性。
IR2110浮置电源采用自举电路,其高端工作电压可达500V,工作频率可达到500kHz,其内部结构如图1所示。它由三个部分组成:逻辑输入,电平平移及输出保护。IR2110采用CMOS工艺制作,逻辑电源电压范围为5V~20V,适应TTL或CMOS逻辑信号输入,具有独立的高端和低端2个输出通道,两路通道均带有滞后欠压锁定功能。由于逻辑信号均通过电平耦合电路连接到各自的通道上,容许逻辑电路参考地(Vss)与功率电路参考地(COM)之间有5V的偏移量,并且能屏蔽小于50ns的脉冲,有较理想的抗噪声效果。

图1 IR2110内部结构图
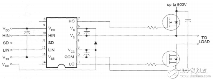
IR2110的自举电路特别适合于各种桥式驱动电路,其典型应用如图2所示。引脚3(VCC)和6(VB)分别是低端电源电压和高端浮置电源电压,引脚2(COM)是低端电源公共端,引脚5(Vs)是高端浮置电源公共端,引脚9(VDD)是逻辑电路电源电压,引脚13(Vss)是逻辑电路接地端,引脚11(SD)是输入信号关闭端。VCC为10V~20V功率管门极驱动电源,由于VSS可与COM连接,则VCC与VDD可共用同一个典型值为+15V的电源。

图2 IR2110典型应用电路
当输入逻辑信号HIN/LIN=1时,输出信号HO/LO=1,控制MOSFET导通;当HIN/LIN=0时,HO/LO=0,控制MOSFET关断,其SD输入可以用来闭锁这二路驱动。如果这两路驱动电压小于8.3V,输出信号会因欠压而被片内封锁。输出栅极驱动电压的范围为10V~20V,其电平典型转换时间为:Ton=120ns,Toff=94ns。死区时间的典型值为10ns,内置的死区电路可以防止由于MOS器件关断延时造成的直臂导通现象,提高了系统的可靠性。