时间:2017-08-04 16:26
人气:
作者:admin
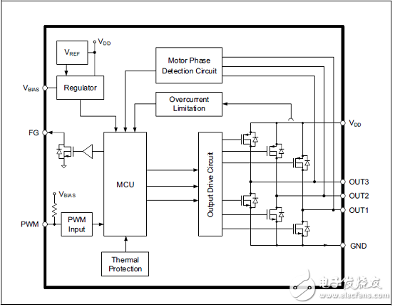
MCP8063器件是用于无刷电机的高度集成的三相全波无传感器驱动器。它具有180°正弦驱动,高扭矩输出和无声传动。其集成特性和宽电源范围(2V~14V)使MCP8063成为各种电机特性的理想选择,无需外部调谐。速度控制可以通过电源调制(PSM)或脉冲宽度调制(PWM)来实现。
由于紧凑的封装和最少的材料清单(集成了功率晶体管,无霍尔传感器,无需外部调谐),MCP8063为那些需要高效率和低噪声,且具有竞争力成本的风扇应用进行了优化。频率发生器输出可在闭环应用中实现精确的速度控制。MCP8063驱动器包括锁定保护模式,当电机处于锁定状态时关闭输出电流,自动恢复功能可在解除锁定条件时使风扇重新启动。
诸如电机过流限制和热关断保护等特性可提高电机系统的可靠性,无需设计工程师的额外努力。
MCP8063采用紧凑型散热增强型8引脚4mm×4mm DFN封装,采用裸露焊盘。
MCP8063主要特性
符合汽车AEC-Q100标准,可按需提供PPAP
无传感器BLDC驱动器(无需霍尔传感器)
180°正弦波驱动,实现高效率和低噪声
支持2V~14V电源
通过电源调制(PSM)和/或脉冲宽度调制(PWM)的速度控制,
内置频率发生器(FG输出信号)
内置锁定保护和自动恢复电路(不需要外部电容)
内置过电流限制(1.5A)
内置过压保护
内置热关断保护
带有裸露焊盘的耐热增强型8引脚4mm×4mm DFN封装
23kHz PWM输出频率
不需要外部调整
针对风扇冷却系统进行了优化
MCP8063典型应用
静音笔记本电脑CPU/GPU冷却风扇
空气通风系统
12V三相BLDC电机

图1 MCP8063框图

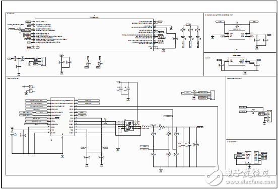
图2 MCP8063风扇马达驱动应用电路
MCP8063 12V三相BLDC无传感器风扇控制器演示板
MCP8063 12V三相BLDC无传感器风扇控制器演示套件允许使用通过USB连接连接到演示板的PC软件控制和监视microchip 12V风扇驱动器设备,例如MCP8063或MTD6501。MCP8063 12V三相BLDC无传感器风扇控制器演示板软件提供了几个功能,例如风扇驱动器电源控制和监视,脉冲宽度调制(PWM)控制以及速度和电流消耗监视。它还允许自动应用程序测试。
MCP8063风扇控制器演示板主要特性
PC软件允许通过USB连接控制和监视MCP8063三相风扇控制器
VDD电压控制和IDD电流测量
速度设置的PWM控制
速度监控的FG测量
自动测试测量
MCP8063 12V三相BLDC无传感器风扇控制器演示板主要元件
PIC24FJ64GB002微控制器,用于USB连接,PWM生成,FG频率测量,VDD测量,激活其他信号和组件通信
MCP1824 LDO稳压器,为单片机提供3.3V电压
MCP19110降压稳压器为风扇驱动器提供电源
MCP3421 Delta-Sigma ADC,用于感测风扇驱动器的电流消耗
图3 MCP8063 12V三相BLDC无传感器风扇控制器演示板外形图
MCP8063 12V三相BLDC无传感器风扇控制器演示板套件(ADM00575)包括
MCP8063 12V 3相BLDC无传感器风扇控制器演示板(ADM00532)
3个MCP8063子板(ADM00535)
一根迷你USB电缆
重要信息表

图4 MCP8063 12V三相BLDC无传感器风扇控制器演示板电路图
表1 MCP8063 12V三相BLDC无传感器风扇控制器演示板(ADM00532)材料清单

图5 演示板ADM00532 PCB设计图:顶层丝印图

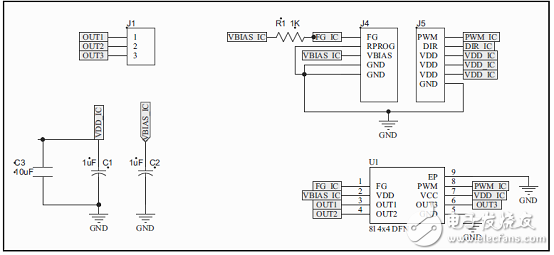
图6 演示板子板ADM00535电路图
演示板子板ADM00535材料清单:
