时间:2017-09-13 17:50
人气:
作者:admin
前言
电机控制单电阻采样机制是在一个PWM波形内采集两相电流ADC数据,但某些扇区边界条件下只能获得一路电流ADC数据, 需要对PWM波形进行变形用于构造电流采样区域。
背景介绍
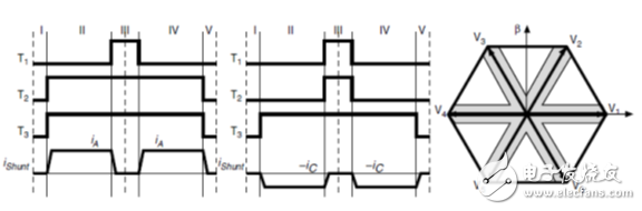
根据电机控制拓扑结构,单电阻采样在一个PWM控制周期内可以取得两相电流数据:


在扇区边沿无法获得两相电流信号。

波形产生
ST专利的方法是在波形的中间部分产生变形波形,在变形后的波形上就可以得到两相电流ADC数据;
当然还有目前比较流行的波形移位方法也可以做到相同效果。波形如下:

STM32系列单片机Timer有足够的功能,可以产生上面两种波形,机制如下:
PWM波中间变形

1. 设定CCR4的DMA通道,并且设定此时Timer1的preload为禁止状态;
TIM_OC1PreloadConfig(TIM1,TIM_OCPreload_Disable);
2. 在CCR4比较值部分产生DMA事件;
DMA_InitStructure.DMA_PeripheralBaseAddr= (uint32_t)(&(TIM1->CCR1));
DMA_InitStructure.DMA_MemoryBaseAddr= (uint32_t)(uint32_t)(hDmaBuff2);
DMA_InitStructure.DMA_DIR =DMA_DIR_PeripheralDST;
DMA_InitStructure.DMA_BufferSize= 2u;
….
TIM_DMACmd(TIM1,TIM_DMA_CC4,ENABLE);
3. 在1点上将CCR1数据直接修改为周期数据+1;
4. 在2点上将CCR1数据修改为CCR1’的数据;
5. 时间计算上按照上面的图示设定,中间凹陷时间为两边补充波形时间之和。
波形移位变形

1. 设定Timer1的update事件的DMA通道
DMA_InitStructure.DMA_PeripheralBaseAddr =(uint32_t)(&(TIM1->CCR1));
DMA_InitStructure.DMA_MemoryBaseAddr =(uint32_t)(uint32_t)(hDmaBuff2);
DMA_InitStructure.DMA_DIR =DMA_DIR_PeripheralDST;
DMA_InitStructure.DMA_BufferSize = 2u;
……
TIM_DMACmd(TIM1,TIM_DMA_Update,ENABLE);
2. 在1点上更新CCR1数据为CCR1数据;
3. 在2点上更新CCR1数据为CCR1’数据;
4. 保证前后的移位时间相同。
上一篇:赛普拉斯工业4.0解决方案