时间:2017-11-07 09:11
人气:
作者:admin
CD4093是CD系列数字集成电路中的一个型号,采用CMOS工艺制造。CD4093内部有四个施密特触发器,每个触发器有一个2输入与非门。当正极性或负极性信号输入时,触发器在不同的点翻转。正极性(VP)和负极性(VN)电压的不同之处由迟滞电压(VH)确定。今天我们先来看看cd4093电容感应式控制电路。

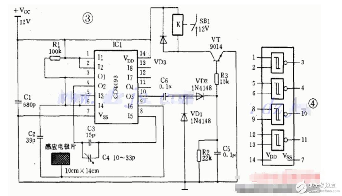
图3是由集成电路制作的电容感应式控制电路
图3电路中主要由一个四—2输入 “与非”门集成电路CD4093(内部电路见图4)组成。R1、C1及CD4093的一个与非门(①、②、③脚,IC1)构成400Hz方波振荡器,振荡器输出的方波分成两路:一路直接送入一个与非门电路(④、⑤、⑥脚,IC2);另一路经电容C2送入一个与非门(⑧、⑨、⑩脚,IC3)的一个输人端。由于IC2接成非门的形式,所以它的输入、输出端电位相差180°,IC2输出的信号经C3、C4耦合至IC3的另一个输入端。
由于IC3两个输入端的电平相同。相位相反,因此只要IC1正常振荡,IC3的两个输入端至少有一个为低电平,故IC3输出端为稳定的高电平,由于C6的作用,VT1截止。但是如取消IC3任何一个输入端的输入信号或使该信号幅度降到低于门电路的输入阈值电平时,IC3就会输出方波信号。
当有导体接近感应电极片时,就会使由C2耦合到IC3输入端⑨脚的部分信号被分流到地,若被分流后的信号幅度低于与非门输人端的阈值电平,IC3就会输出方波信号,该信号经VD1、VD2整流后就会使开关管VT1导通,接通继电器的电源使之吸合。
电容C4是灵敏度调节电容,若需要该电路以最大灵敏度工作时,可以先调节C4使继电器刚好吸合,再调节C4使继电器刚好断开,然后用高频蜡或绝缘漆把C4封牢即可。
图3电路所用元件都是普通元件,由于 CD4093为CMOS集成电路,很容易被电烙铁所带的静电击穿,所以在制作时,最好先焊一个集成电路插座,待电路经检查无误后再把CD4093插人插座。感应电极片可以用金属易拉罐剪制。
上一篇:单相电动机的电容启动原理
下一篇:丹佛斯变频器的故障种类及对策