时间:2017-06-12 11:40
人气:
作者:admin
在伺服系统中常用具有线性特性的补偿装置(通常是补偿电路),采取串联、顺馈(或称并联)、负反馈、正反馈,以及它们的组合形式,来改善系统的特性,提高系统的工作品质。下面分别介绍各种补偿联接形式的特点及有关注意事项。
1.串联补偿
串联补偿是指在系统主通道(即前向通道)中串接人适当的补偿装置(电路)。如图所示。

常用的串联补偿装置均由电路组成,有仅用R、L、C组成的无源补偿网络。有利用线性集成放大器组成的有源补偿网络,它们所能传递的都是直流信号,因此只有串联在系统线路中传递直流信号的部位,才能起到相应的作用。如果系统中传递的是固定频率的交流载频信号,则无法使用以上两类补偿网络。
常用的补偿网络,在工程上实用的还有许多形式。作为系统的串联补偿,它们中的一些是不能用的,因为在系统的主通道中,不能串联含有纯微分环节的电路(即不串联含有s=0的零点的网络),它将阻断恒定信号的有效传递,使伺服系统不能有效地工作。
为了提高系统的稳态精度,常采取提高系统的型(即无差度)的办法,这就要求在系统的前向主通道中串入积分环节,或者串联PI调节器。
倘若系统开环对数幅频特性(系统是最小相位系统)如图5.40a中曲线1所示。在零初始条件下,系统对输入阶跃信号的响应能满足动态品质要求,但系统的稳态精度不高;为提高系统稳态精度需增大系统开环增益,系统开环对数幅频特性如图a中曲线2所示,但此时系统的动态品质不满足要求。在增大系统开环增益的同时,串接一个滞后补偿


影响伺服系统控制因素很多,其中最重要的是位置、速度、加速度以及振动等伺服。系统的控制精度是最重要的技术指标之一,伺服系统的控制精度,受多方面因素的影响,其中十分关键的是检测装置的精度(分辨率)。现代科学技术的发展,对高精度伺服系统的运用越来越多。例如高精度锁相调速系统,要求测速误差《i0~,而一般测速发电机测速误差却在2%。0.02%范围。用于跟踪卫星的雷达天线伺服系统,它的跟踪误差必须《1’。
观测天体的射电望远镜,要求伺服系统的误差《0.05’。开始进入家庭的电视激光放像机,激光针头的径向运动要伺服系统来控制,该系统的位置误差≤1胛。以上几例均说明伺服系统的精度是较高的,而它们所采用的检测装置的精度将更高。首先,系统中的检测装置对误差能分辨,并提供有效的信号,然后才谈得上对系统进行控制。因此,检测装置的高精度,是实现高精度伺服系统的前提。然而,各种用途的伺服系统是多种多样的,它们对精度的要求也很不一致,正因为如此,在伺服系统中采用的检测装置其类型十分繁杂,本节只就常见的模拟式测速和测角(位移)装置,做一简要说明。
1.角速度的检测
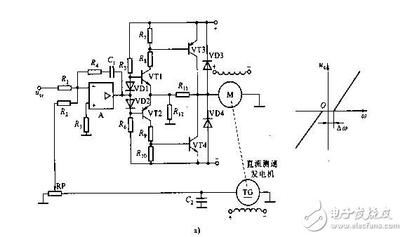
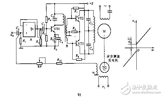
在速度伺服系统中,系统的输出端必须有检测角速度的装置,在位置伺服系统中,也常需要它获得速度阻尼信号。因此在伺服系统中被广泛采用。用得最多的是各种测速发电机,比较简易的有测速电桥,比较精确的是增量码盘。
(1)测速发电机






