时间:2017-07-20 17:14
人气:
作者:admin
电路中漏电电流超过预定值时能自动动作的开关。常用的漏电断路器分为电压型和电流型两类,而电流型又分为电磁型和电子型两种。
漏电断路器主要有零序电流互感器、电子组件板、漏电脱扣器及带有过载和短路保护的断路器组成。漏电断路器的漏电保护部分,由零序电流互感器(感测部分),运算控制器(控制部分)和电磁脱扣器(动作,执行部分)组成。被保护的主电路所有相,零线都穿过零序电流互感器的铁芯,组成零序电流互感器一次侧。漏电断路器的工作原理基本上可以理解为:漏电断路器对于同时接触两相的两相触电,不能保护。为方便理解以下用图文细说

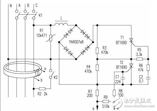
图中L为电磁铁线圈,漏电时可驱动闸刀开关K1断开。每个桥臂用两只1N4007串联可提高耐压。 R3、R4阻值很大,所以K1合上时,流经L的电流很小,不足以造成开关K1断开。R3、R4为可控硅T1、T2的均压电阻,可以降低对可控硅的耐压要 求。K2为试验按钮,起模拟漏电的作用。按压试验按钮K2,K2接通,相当于外线火线对大地有漏电,这样,穿过磁环的三相电源线和零线的电流的矢量和不为 零,磁环上的检测线圈的a、b两端就有感应电压输出,该电压立即触发T2导通。由于C2预先充有一定电压,T2导通后,C2便经R6、R5、T2放电,使 R5上产生电压触发T1导通。T1、T2导通后,流经L的电流大增,使电磁铁动作,驱动开关K1断开,试验按钮的作用是随时可检查本装置功能是否完好。用 电设备漏电引起电磁铁动作的原理与此相同。R1为压敏电阻,起过压保护作用。这个也就基本上构成了漏电断路器的工作原理中最重要的漏电保护的功能。
当正常工作时,不论三相负载是否平衡,通过零序电流互感器主电路的三相电流相量之和等于零,故其二次绕组中无感应电动势产生,漏电保护器工作于闭合状态。如果发生漏电或触电事故,三相电流之和便不再等于零,而等于某一电流值Is。Is会通过人体、大地、变压器中性点形成回路,这样零序电流互感器二次侧产生与Is对应的感应电动势,加到脱扣器上,当Is达到一定值时,脱扣器动作,推动主开关的锁扣,分断主电路。




很多人都会把漏电断路器与空气开关联系在一起,两者十分相似,而它们本身是有本质区别的,下面我们一起来看看它们区别在哪里。
何为空气开关、何为漏电开关:
1、空气开关即空气断路器,空气断路器一般为低压的,即额定工作电压为1Kv。空气断路器是具有多种保护功能的、能够在额定电压和额定工作电流状况下切断和接通电路的开关装置。它的保护功能的类型及保护方式由用户根据需要选定。如短路保护、过电流保护、分励控制、欠压保护等。其中前两种保护为空气断路器的基本配置,后两种为选配功能。所以讲空气断路器还能在故障状态(负载短路、负载过电流、低电压等)下切断电气回路。
2、漏电开关的正确称呼为剩余电流保护装置(以下简称RCD),是一种具有特殊保护功能(漏电保护)的空气断路器。它所检测的是剩余电流,即被保护回路内相线和中性线电流瞬时值的代数和(其中包括中性线中的三相不平衡电流和谐波电流)。为此,RCD的整定值,也即其额动作电流IΔn,只需躲开正常泄漏电流值即可,此值以mA计,所以RCD能十分灵敏地切断保护回路的接地故障,还可用作防直接接触电击的后备保护。
漏电保护器是一种利用检测被保护电网内所发生的相线对地漏电或触电电流的大小,而作为发出动作跳闸信号,并完成动作跳闸任务的保护电器。在装设漏电保护器的低压电网中,正常情况下,电网相线对地泄漏电流(对于三相电网中则是不平衡泄漏电流)较小,达不到漏电保护器的动作电流值,因此漏电保护器不动作。当被保护电网内发生漏电或人身触电等故障后,通过漏电保护器检测元件的电流达到其漏电或触电动作电流值时,则漏电保护器就会发生动作跳闸的指令,使其所控制的主电路开关动作跳闸,切断电源,从而完成漏电或触电保护的任务。它除了空气断路器的基本功能外,还能在负载回路出现漏电(其泄漏电流达到设定值)时能迅速分断开关,以避免在负载回路出现漏电时对人员的伤害和对电气设备的不利影响。
3、漏电开关不能代替空气开关。虽然漏电开关比空气开关多了一项保护功能,但在运行过程中因漏电的可能性经常存在而会出现经常跳闸的现象,导致负载会经常出现停电,影响电气设备的持续、正常的运行。所以,一般只在施工现场临时用电或工业与民用建筑的插座回路中采用。漏电开关也可以说是空气开关的一种,机械动作、灭弧方式都类似。但由于漏电开关保护的主要是人身,一般动作值都是毫安级。
另外中国电器交易网了解到,漏电断路器与空气开关动作检测方式不同:漏电开关用的是剩余电流保护装置,它所检测的是剩余电流,即被保护回路内相线和中性线电流瞬时值的代数和(其中包括中性线中的三相不平衡电流和谐波电流)。为此其额动作电流只需躲开正常泄漏电流值即可(毫安级),所以能十分灵敏地切断接地故障,和防直接接触电击。 而空气开关就是纯粹的过电流跳闸。