时间:2017-07-26 17:57
人气:
作者:admin
电力系统为了传输电能,往往采用交流电压、大电流回路把电力送往用户,无法用仪表进行直接测量。互感器的作用,就是将交流电压和大电流按比例降到可以用仪表直接测量的数值,便于仪表直接测量,同时为继电保护和自动装置提供电源,所以说电压互感器与电流互感器在电力系统中起到了非常的大的作用,而本文要介绍的就是电压互感器与电流互感器的区别以及如何使用电压互感器测量交流电路线电压。
电流互感器的主要所用是用来将交流电路中的大电流转换为一定比例的小电流(我国标准为5安倍),以供测量和继电保护只之用。大家应该知道在发电、变电、输电、配电过程中由于用电设备的不同,电流往往从几十安到几万安都有,而且这些电路还可能伴随高压。那么为了能够对这些线路的电路进行监控、测量,同时又要解决高压、高电流带来的危险,这时就需要用到电流互感器了。有些人可能见过电工用的钳形表 ,这是一种用来测量交流电流的设备,它那个“钳”便是穿心式电流互感器。

电流互感器的结构如下图所示,可用它扩大交流电流表的量程。在使用时,它的原线圈应与待测电流的负载线路相串联,副边线圈则与电流表串接成闭合回路,如图中右边的电路图所示。

电流互感器的原线圈是用粗导线绕成,其匝数只有一匝或几匝,因而它的阻抗极小。原线圈串接在待测电路中时,它两端的电压降极小。副线圈的匝数虽多,但在正常情况下,它的电动势E2并不高,大约只有几伏。
由于I1/I2=Ki(Ki称为变流比)所以I1=KiI2
由此可见,通过负载的电流就等于副边线圈所测得的电流与变流比Ki之乘积。如果电流表同一只专用的电流互感器配套使用,则这安培表的刻度就可按大电流电路中的电流值标出。电流互感器次级电流最大值,通常设计为标准值5A。不同的电流的电路所配用的电流互感器是不同的,其变流比有10/5、20/5、30/5、50/5、75/5、100/5等等。
为了安全起见,电流互感器副线圈的一端和铁壳必须接地。
电流互感器规格型号识别方法
电流互感器的型号是由2~4位拼音字母及数字组成。通常能表示出电流互感器的线圈型式、绝缘种类、导体的材料及使用场所等。横线后面的数字表示绝缘结构的电压等级(4级)。电流互感器型号中字母的含义如下:

L:在第一位,表示电流互感器;
D:在第二位,表示单匝贯穿式,在型号的最后一个字母时表示差动保护用(部分生产厂用B或C标出)
F:在第二位,表示复匝贯穿式
Q:在第二位,表示线圈型,在第四位,表示加强型;
M:在第二位,表示母线式;
R:在第二位,表示装入式;
A:在第二位,表示穿墙式;
C:在第二位,表示瓷套式,在第三位,表示瓷绝缘;
Z:在第三位,表示浇注绝缘;
J:在第三位,表示加大容量加强型,在第四位,表示加大容量;
G:在第三位,表示改进型;
W:在第三位,表示户外型;
电压互感器基本型式包括两组绕有导线之线圈,并且彼此以电感方式称合一起。当一交流电流(具有某一已知频率)流于其中之一组线圈时,于另一组线圈中将感应出具有相同频率之交流电压,而感应的电压大小取决于两线圈耦合及磁交链之程度。
电压互感器简称PT,其工作原理和变压器很相像,都是用来变换线路上的电压。在测量交变电流的大电压时,为能够安全测量在火线和地线之间并联一个变压器(接在变压器的输入端),这个变压器的输出端接入电压表,由于输入线圈的匝数大于输出线圈的匝数,因此输出电压小于输入电压,电压互感器就是降压变压器。
电压互感器的作用:
1、把高电压按比例关系变换成100V或更低等级的标准二次电压,供保护、计量、仪表装置使用。
2、使用电压互感器可以将高电压与电气工作人员隔离。
3、当二次负载阻抗减小时,二次电流增大,使得一次电流自动增大一个分量来满足一二次侧之间的电磁平衡关系。
电压互感器接线图:
1.一个单相电压互感器的接线

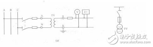
这种接线方式在三相线路上,只能测量某两相之间的线电压,用于连接电压表、频率表及电压继电器等。
2.两个单相 这种接线方式又称不完全星形接线,可以用来测量三个线电压,供仪表、继电器接于三相三线制电路的各个线电压。‘

这种接线方式又称不完全星形接线,可以用来测量三个线电压,供仪表、继电器接于三相三线制电路的各个线电压。
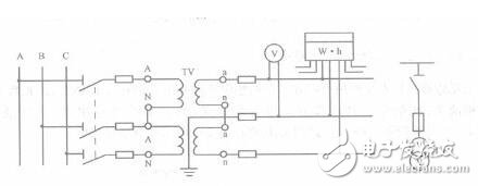
3.三个单相电压互感器Y。/Y。形接线

这种接线方式能满足仪表和微机保护装置选用相电压和线电压的要求。在一次绕组中点接地情况下,也可装用绝缘监察电压表。
4.三个单相三绕组电压互感器或一个三相五芯柱三绕组电压互感器Y。/Y。/

这种接线方式在10kV中性点不接地系统中应用广泛,它既能测量线电压、相电压并能组成绝缘监察装置和供单相接地保护用。接成Y。形的二次绕组称为基本二次绕组,用来接仪表、继电器及绝缘监察电压表;接成(开口三角形)的二次绕组,称为辅助二次绕组,用来连接监察绝缘用的电压继电器。在系统正常运行时,开口三角形两端的电压接近于零,当系统发生一相接地时,开口三角形两端出现零序电压,使电压继电器吸合,发出接地预告信号。
电压互感器与电流互感器的主要区别是正常运行时工作状态很不相同,表现为:
1)电流互感器二次可以短路,但不得开路;电压互感器二次可以开路,但不得短路;
2)相对于二次侧的负荷来说,电压互感器的一次内阻抗较小以至可以忽略,可以认为电压互感器是一个电压源;而电流互感器的一次却内阻很大,以至可以认为是一个内阻无穷大的电流源。
3)电压互感器正常工作时的磁通密度接近饱和值,故障时磁通密度下降;电流互感器正常工作时磁通密度很低,而短路时由于一次侧短路电流变得很大,使磁通密度大大增加,有时甚至远远超过饱和值。
经过电压互感器测量单相电压电路:在交流电路中,测量电压往往采用电压互感器和量程为100V的交流电压表,这样既扩大了仪表量程,又比较安全。使用电压互感器测量单相电压的电路如下:

经过电压互感器测量单相电压电路
使用电压互感器时应注意:
电压互感器不允许短路,因此,一、二次绕组都接有熔断器。
为了安全,二次绕组的一端必须可靠接地。
经过两个单相电压互感器测量三相线电压电路:

经过两个单相电压互感器测量三相线电压电路
经三相电压互感器测三相线电压电路:

经三相电压互感器测三相线电压电路