时间:2017-04-26 10:59
人气:
作者:admin
该系列文章的第一部分介绍了电网换相换流器(LCC)。在这部分中,我将讨论电压源换流器(VSC)并比较两种拓扑结构。
VSC目前已成为首选实施对象,原因如下:VSC具有较低的系统成本,因为它们的配站比较简单。VSC实现了电流的双向流动,更易于反转功率流方向。VSC可以控制AC侧的有功和无功功率。VSC不像LCC那样依赖于AC网络,因此它们可以向无源负载供电并具有黑启动能力。使用绝缘栅双极晶体管(IGBT)阀,则无需进行晶闸管所需的换流操作,并可实现双向电流。
表1对LCC和VSC进行了对比。VSC的电压电平通常在150kV-320kV范围内,但一些电压电平可高达500kV。VSC有几种不同的类型。让我们来看看两电平、三电平和模块化多电平。
电压源换流器
电网换相换流器
换流
不需要交流波形。独立于电网工作,具有黑启动功能。
在网络的交流侧需要正弦波以进行换流。可能有换流故障。
系统成本
成本较低。无需无功补偿。对谐波滤波的需求较低。大多数模块化多电平换流器(MMC)没有谐波滤波。
成本较高。需要谐波滤波。需要无功功率补偿。
功率因数
控制无功和有功功率。
需要交流侧或备用电源的无功电源。
谐波
低谐波。
高谐波。
功率流
电流可以在两个方向上流动,易于反转功率流。
功率流只能通过反转电压极性来反转。
电压和功率电平
电压电平(500kV)和功率电平(1000MW)较低。*
可承载高达800kV和8000MW。*
换流器效率
由于开关损耗,效率较低。
在换流器处损失较少的传输功率。
*参见2016年电气与电子工程师协会(IEEE)第16届国际环境与电气工程会议文章“LCC-HVDC和VSC-HVDC技术与应用的综述。”
表1:换流器比较
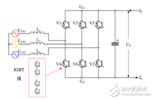
两电平电压源换流器
如图1所示,两电平VSC具有IGBT,每个IGBT具有与其并联的反向二极管。每个阀包括多个串联的IGBT/二极管组件。使用脉宽调制(PWM)控制IGBT,以帮助形成波形。因为IGBT在实现PWM时多次导通关断,所以会发生开关损耗,而谐波是一个因素。

图1:两电平VSC(HVDC换流器图片由维基百科提供)
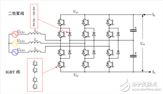
三电平电压源换流器
如图2所示,三电平VSC改善了谐波问题。三电平换流器每相有四个IGBT阀。其中两个二极管阀用于钳位电压,但您可以用IGBT代替它们,以获得更好的可控性。打开顶部的两个IGBT获得较高的电压电平,打开中间的两个IGBT获得中间(或零)电压电平,打开底部的两个阀获得较低的电压电平。

图2:三电平VSC(HVDC换流器图片由维基百科提供)
模块化多电平换流器
MMC与另两种换流器不同,因为每个阀就是一个具有内置式平流电容器的换流器模块。MMC取代了含有多个IGBT的阀,它具有多个级联的换流器模块。其中每一个模块都代表了特定的电压电平。MMC中的换流器模块是半桥式或全桥式换流器。

图3:模块化换流器类型(HVDC换流器图片由维基百科提供)
MMC方法显著提高了谐波性能,以致通常不需要滤波。它也比两电平和三电平VSC更有效,因为它没有与IGBT阀相同的开关损耗。

图4:波形输出(图片由SVC PLUS VSC技术提供)