时间:2017-02-17 14:35
人气:
作者:admin
相信大多数人很多时候在还未读完“条款和适用条件”的时候就点击了“同意”。既然如此,为何要花费这么多时间去阅读那些繁冗的条文呢?同任何重要的文件一样,数据表也有条文——1页的规格说明, 20页的条文细则。电源模块尤其如此,因为集成化遮掩了关于设备的关键细节。我将分两部分在博客文章中讨论,基于数据表首页的电源模块评估中几个常见的障碍。
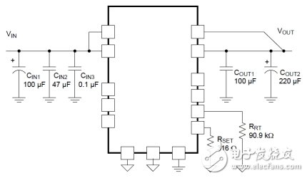
对模块的集成进行评估具有挑战性。最基本的电源模块只是一个小的组件,内部有转换器和电感,它基本上替代了一些电源工程师必须投入时间和精力来创建的一些电路板设计。然而,并非所有模块都是相同的:使用了电源模块却并不意味着不需要外部组件(在某些情况下,如图1所示,需要很多外部组件)。

图1:输入和输出电容增加了模块电路的复杂性
模块之间的最大差异与输入和输出电容是否集成有关,或者是否必须从外部添加它们有关。即使在具有集成电容的模块中,进一步深入研究数据表以确定模块内部的电容大小至关重要。某些情况下,模块中包含的输出电容像一个“圆环状”备胎:在技术功能上,它们并非真正设计为全时工作。识别是否需要更多电容的一个好方法是查看数据表中的性能曲线:制造商在电路中没有添加外部电容的情况下若无法实现这些结果,您很可能也将无法获得任何结果。像TI的TPSM84A22这样的模块是很好的选择,因为即使是首页上的规格也都是在不使用外部组件的情况下得到的。
外部组件也在电源模块解决方案的尺寸大小中扮演了重要作用。模块制造商都想要兜售“最小尺寸”或“最薄外形”的部件,但需要让这些变得有意义。例如,具有9mm×15mm尺寸的模块比具有10mm×10mm尺寸的模块的噪声要差得多,但一旦为10mm×10mm模块添加了必要的电容,可能会发现它需要在电路板上占用更多空间。这个原理如图2所示。出于此原因,考虑模块封装大小以外的其他因素以确定哪种部件最适合系统也非常重要。
图2:模块解决方案尺寸与模块封装尺寸可能截然不同
在第二部分,将会讨论评估模块效率和瞬态响应。同时,阅读更多关于电源模块的信息,并了解更多关于TI电源模块产品的信息。