时间:2016-11-02 17:12
人气:
作者:admin
很多生产机械都希望在停车时有适当的制动作用,使运动部件迅速停车。停车制动有机械制动和电气制动等多种方法。能耗制动是一种应用很广泛的一种电气制动方法。
能耗制动就是将运行中的电动机,从交流电源上切除并立即接通直流电源,在定子绕组接通直流电源时,直流电流会在定子内产生一个静止的直流磁场,转子因惯性在磁场内旋转,并在转子导体中产生感应电势有感应电流流过。并与恒定磁场相互作用消耗电动机转子惯性能量产生制动力矩,使电动机迅速减速,最后停止转动。
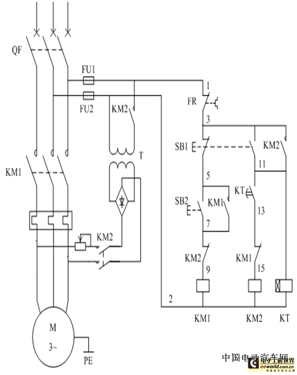
1、合上空气开关QF接通三电源
2、按下启动按钮SB2,接触器KM1线圈通电并自锁,主触头闭合电动机接入三相电源而启动运行。
3、当需要停止时,按下停止按钮SB1,KM1线圈断电,其主触头全部释放电动机脱离电源。
4、此时,接触器KM2和时间继电器KT线圈通电并自锁,KT开始计时KM2主触点闭合将直流电源接入电动机定子绕组,电动机在能耗制动下迅速停车。
另外,时间继电器KT的常闭触点延时断开时接触器KM2线圈断电,KM2常开触点断开直流电源,脱离电源及脱离定子绕组,能耗制动及时结束,保证了停止准确。
5、该电路的过载保护由热继电器完成
6、互锁环节:
⑴ KM2常闭触点与KM1线圈回路串联,KM1常闭触点与KM2线圈回路串联。保证了KM1与KM2线圈不可能同时通电,也就是在电动机没脱离三相交流电源时,直流电源不可能接入定子绕组。
⑵ 按纽SB1的常闭触点接入KM1线圈回路,SB1的常开触点接入KM2线圈回路,这是按纽互锁也保证了KM1、KM2不可能同时通电,与上面的互锁触点起到同样作用。
7、直流电源采用二极管单相桥式整流电路,电阻R用来调节制动电流大小,改变制动力的大小。
电动机全波能耗制动控制接线示意图

