时间:2016-08-24 02:29
人气:
作者:admin
电机控制指的是对电机的启动、加速、运转、减速及停止进行的控制。电机控制根据不同电机的类型及电机的使用场合有不同的要求及目的。本文将介绍12个常见的电机控制电路,包括定子串电阻降压启动、延边三角形降压启动、星三角降压启动等。
1.基本的直接启动控制线路

按下启动按钮,KM线圈得电,KM常开辅助触点自锁,绿灯亮,电机运行;
按下停止按钮,KM线圈失点,辅助触点复位,红灯亮,电机停止。
2 直接启动,延时停止

通过时间继电器作用,延时使回路断开。
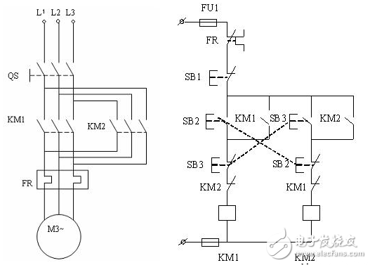
3 控制电机正反转

使用双重互锁,采用复合按钮和2个接触器。 将2个接触器的常闭辅助触点相互串联在对方回路中,安全方便,避免了短路的发生~
4 顺停、逆停循环

5 电机轮流循环启动

上一篇:变频器维修的几种实用方法
下一篇:“互联网+”服务型制造的价值