时间:2016-09-20 11:45
人气:
作者:admin
马达控制驱动芯片l9110是为控制和驱动电机设计的两通道推挽式功率放大专用集成电路器件,将分立电路集成在单片IC之中,使外围器件成本降低,整机可靠性提高。该芯片有两个TTL/CMOS兼容电平的输入,具有良好的抗干扰性;两个输出端能直接驱动电机的正反向运动,它具有较大的电流驱动能力,每通道能通过750~800mA的持续电流,峰值电流能力可达1.5~2.0A;同时它具有较低的输出饱和压降;内置的钳位二极管能释放感性负载的反向冲击电流,使它在驱动继电器、直流电机、步进电机或开关功率管的使用上安全可靠。l9110被广泛应用于玩具汽车电机驱动、步进电机驱动和开关功率管等电路上。
马达控制驱动芯片l9110的主要特点:
低静态工作电流;
宽电源电压范围:2.5V-12V;
每通道具有800mA连续电流输出能力;
较低的饱和压降;
TTL/CMOS输出电平兼容,可直接连CPU;
输出内置钳位二极管,适用于感性负载;
控制和驱动集成于单片IC之中;
具备管脚高压保护功能;
工作温度:0℃-80℃。
马达控制驱动芯片l9110引脚图及l9110引脚定义



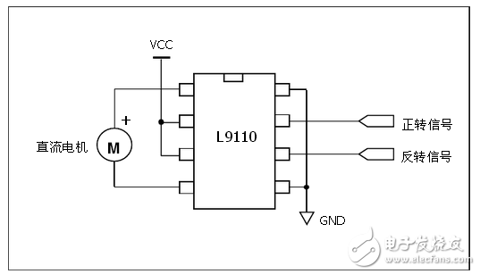
l9110驱动电路:

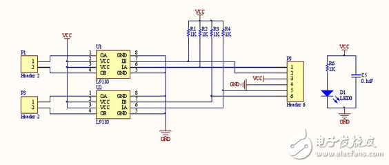
l9110应用电路图
l9110驱动电路:

l9110电机驱动原理图