时间:2016-10-12 11:40
人气:
作者:admin
在灯具调光和控制中,人们大量采用了DMX512的控制协议,它是由美国剧场技术协会(United State Institute for Theatre Technology,Inc)于1986年8月提出的一个能在一对线上传送512路可控硅调光亮度信息的标准;DMX512通信方式是采用了异步通信格式,每个调光点由11位组成,其中一个是起始位,8位调光数据,两个停止位。每一次传输能512个调光点.EIA485(RS485);DMX512是围绕工业标准EIA485接口设计的.EIA485属于接口、电压、电流等的“电”端。
DMX512控制器能够输出标准的DMX512控制信号,DMX512控制器能够输出标准的DMX512控制信号,能够级联多DMX灯具,可以配合LED DMX驱动组成一个完整的DMX控制系统;在大型的LED户外装饰工程中,由DMX512控制器和DMX驱动组成的控制系统得到广泛的应用,目前国内通常DMX512控制器内置3针XLR接口,这点很不好,国外都采用5针,这样可以跟音频连接线区分!
dmx512控制器是一种重要电路控制部件,在很多的场合中都会有更加广泛的使用,对于需求者而言能够大致的了解下设备的组成部分显得很重要,下面和大家一起简单的分析下dmx512控制器的组成部分,能够给使用者在购买设备的时候提供更加到位的性能,给大家的选购提供一定的帮助作用。一般在设计设备的时候很好的采用了模块化设计,那么这种设备的组成部分有哪些呢?请看下面段解;
dmx512控制器组成部分:CPU模块功能描述
其实我们从这个名字中就可以知道,CPU指的就是设备的中心部分,也是设备的计算部分,一般设备使用的过程中我们会以相应的单片机作为基础,这样的能够保证数据信号的衔接不受到任何因素的影响,同时利用外围的电路提供相应的时钟计算,CPU中央模块的输入以及信息的处理频率能够很好的辅助其不受到任何的干扰。
dmx512控制器组成部分:RGB模块
在设备使用的过程中RGB模块是影响到设备使用的重要保障,也是色彩的重要基础,值得一提的是,设备的中央采用了PWM模块帮助提升设备的提升,同时对不同的调色方案进行记录,帮助设备更好的进行衔接。RGB模块能够很好的辅助设备进行发亮,这样的设计能够很好的辅助设备更好的进行使用。
dmx512控制器组成部分:按键模块
为了帮助设备进行必要的参数设置,按键模块也是设备的重要组成部分,一般来说设备的选择都是以简洁性为主,这样的设计能够很好的辅助设备进行必要的使用,便于不同的设备进行使用,同时操作性上也有不少的改观。
DMX512是围绕工业标准EIA-485接口设计的。EIA-485属于接口、电压、电流等的“电”端。
系统是基于沿着屏蔽导体双绞线的向下对称发送而建立的。这种缠绕结构确保所产生的干扰会同样地作用于两个信号,因此保证了一致的数字定相。所用的导线应该是由一条或两条双绞线、箔片和编织筛所构成的合适的数据导线。对称音频导线则不能完成这个工作。
通常地,就如任何网段一样,导线两头应该有两个终端。灯光控制台通常在一头作为终端,而另一头应该只有一个120Ω的电阻。EIA485规范只支持“雏菊链”或每段上最多以32个“单元负载”所构成的串行网络。制造商声称每段可以长达1000m。但是,要特别指出的是,中继器的作用应该考虑到700m或800m左右,这样可以防止环境的异常。
DMX512灯光控制器目前在LED控制领域得到了已经了广泛应用,技术相当成熟,可靠性高,基于本文开发的控制系统目前已经实现产品化,产品已经在市场得到广泛应用。
下面我们就来一起看看这个方案的实现路径吧。
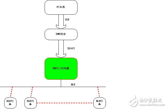
如图1为一典型的DMX灯光控制系统,PC主机通过灯光控制系统进行显示方案的设定并通过DMX控台输出给DMX控制系统。图中绿色部分为本文介绍内容,系统中的其他节点将在其他文章中进行介绍说明。

图 1DMX灯光控制系统
1、硬件实现
系统硬件框图如图 2系统硬件框图:

图 2系统硬件框图
2、CPU模块功能描述
CPU模块是系统的主要部分,由CPU控制完成系统的全部功能,本系统采用PIC18F4431单片机作为控制器。外围电路由10M晶振提供时钟,同时作兼容设计,可由时钟芯片MAX7381直接提供时钟输入。电路如图 3外围时钟电路所示。

图 3外围时钟电路
3、RGBW模块
本模块由CPU的PWM模块控制,实现对LED RGB全彩灯的控制,以实现不同的色彩显示方案。
本模块电路结构简单,对应的RGBW四路输出分别接在了CPU的四个PWM输出I/O管脚,由PWM模块输出相应的脉冲波形,以控制4个MOS管的打开和关断,从而得到不同的色彩方案。
4、按键模块
用于用户进行相关参数的设置,在当前版本中没有使用到本功能。每个按键通过上拉电阻上拉后直接接到CPU的I/O管脚即可。
5、无线接收模块
本模块用于接收来自配套的无线遥控器的控制信号,以方便用户进行相关参数的设定和测试。
本模块使用了***KEYMARK公司专用的无线收发套装芯片,该模块采用曼彻思特编码。本系统中为接收芯片,该芯片接口简单,只需要一个I/O即可实现信号的接收,并由软件来完成信号的处理。
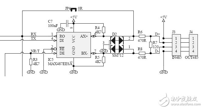
6、RS-485模块
RS-485接收模块用于实现DMX512协议,DMX512协议使用的物理层接口即为RS-485接口。
本模块使用了通用485接口芯片MAX487用于实现RS-485接口与单片机的UART串口的电平转换。接口电路如图 4MAX487外围电路。

图 4MAX487外围电路
7、电源模块
本系统控制不但要为控制器内部供电,还要为外部RGB灯条供电,因此必须使用大功率电源,电源电压可支持多种规格的电源,48V,24V,12V等,并支持电压检测和过流检测。电源模块输入为AC 220V/50-60HZ。模块内部需提供5V和3V电源。5V使用HVLM2594转换得到,3V使用AS1117由5V转换得到,用于给无线模块供电。
8、软件实现
本系统采用PIC18单片机,编译器为PICC18 8.35PL2,C语言编程。系统软件框图如图 5系统软件框图。

图 5系统软件框图
其中:
1)无线接收模块由外部中断函数实现,实现曼彻斯特解码。
2)电压检测由A/D转换实现,用于检测供电电压,如果供电电压过低或过高则进入相应保护。
3)DMX数据接收由串口中断实现,由软件实现DMX512协议,检测到DMX512数据帧后,将数据放入缓存,并置相应标志位。
4)RGB输出由定时中断函数控制,定时时间到,置相应标志位,根据当前RGB缓存数据刷新RGB输出。