时间:2015-08-10 15:50
人气:
作者:admin
提高现代化工厂部门之间物料搬运和内部运输的协调性,是实现生产全盘自动化的重要举措。传统物料运输车具有设备复杂、功耗大、投资高、污染环境等缺 点,其中有轨运输车需铺设专门轨道,若生产程序改变,需重新铺设轨道,破坏路面,投资高;无轨运输车包括叉车及手推运料小车,均需专人驾驶,劳动强度大, 运输效率低。
本设计采用光电检测技术,以日本三菱公司生产的FX-2N可编程控制器为控制核心,通过编程实现智能控制。若生产工序改变,只需重新铺设光轨便可以相应改变。是一种新型、高效、无污染的自动寻迹运输车,无人驾驶、安全可靠、操作方便。可降低生产成本,提高生产效率。
1、系统总体方案
系统总体设计框图如图1所示,直流电机固定在运输车底座下侧,驱动后轮前进,步进电机控制前轮转向,PLC作为控制系统中心,并与步进电机、直流电机及触摸屏相连,得到速度、位置和障碍物信息同时输出相应的控制命令到直流电机、电磁制动器及步进电机。触摸屏作为操作界面,给用户提供一个可视化的操作平台。

图1 系统总体设计框图
系统设计可划分为信号检测部分和控制部分。其中,信号检测部分包括轨道线检测设计、障碍物检测设计、速度检测设计,控制部分包括驱动控制设计、制动控制设计、转向控制设计。系统总体设计流程图如图2所示。

图2 系统总体设计流程图
运输车循迹采取光电探测法的原理。在车体底部安装3只光电传感器,运输车在地板上按照引导线自动运行时不断地向地面发射红外光。由于光电管对不同颜色的物体表面具有不同的反射性质的特点:当红外光遇到绿色引导线时发生漫反射,反射光被装在运输车上的接收管接收,输出为低电平;如果遇到其他颜色则红外光被吸收,输出为高电平。可编程控制器便可根据3只光电传感器的状态编码为依据来确定引导线的位置和运输车的行走路线闭。运输车自动寻迹的位置状态编码如图3所示。

图3 运输车位置状态编码图
2、系统硬件设计
2.1转向及驱动控制电路设计
本设计运输车载重不超过70kg,对电机的负载能力有一定的要求,由于直流减速电机转动力矩大,可以产生较大转矩,因此选择xM4—10125A型直流减速电机作为该系统的驱动电机,该电机自带一个小链轮,齿数z1为9,选取大链轮齿数z2为19,所以传动比i为:
式中:n为直流电机输出转速,4r,s;d为运输车驱动轮直径,14cm。
驱动电机连接电路图如图4所示。电机通电后经链条传动使驱动轮转动。本设计将PLC输出端Y2与两相继电器J5相连,当Y2低电平时,J5活动触点KM与触点l连接,电机正转;反之Y2高电平时,J5活动触点KM与触点2连接,电机反转。电机驱动器(CT一30lA9)通过J5连接电机,调整ADJ端子参数可以改变电机转速,检测到的路况输入信号,经过PLC控制单元进行计算并按结果的要求输出控制信号到Y2端,控制电机的正反转,从而实现运输车的前进、后退。

图4 驱动电机链接电路图
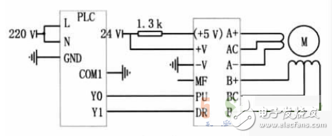
如图5所示,PLC输出端Yo连接到步进电机驱动器的Pu(步进脉冲信号),Y1连接到DR(方向控制)。PLC根据传感器检测到的信号,进行程序控制,当运输车偏离引导线时,Yo接通,步进电机开始工作(初始设置为右转),当判断需要左转时,Y1接通,控制步进电机反方向转动。

图5 步进电机接线图
2.2光电检测电路设计
综合各种光电检测器件的性能及本设计的具体要求,采用RPR220型光电对管。其发射器是一个砷化镓红外发光二极管,而接收器是一个高灵敏度硅平面光电三极管。当发光二极管发出的光反射回来时,三极管导通输出低电平。此光电对管调理电路简单,工作性能稳定。
光电检测电路如图6所示。车体上的3个光电管对路径信息进行检测,将检测到的信号送到PLC输入端,从左至右记作:x1、x2、x3,当PLC检测到的信号为低电平时,则红外光被地上的绿色引导线反射,表明运输车处在绿色引导线上;反之运输车已经偏离轨道。光电传感器的输入电压为5V,而整体设计中输入模块采用的电压为24V。采用稳压管LM317,调整电位器使其输出电压恒为5V,保证光电传感器的正常工作。

图6 光电检测电路设计
上一篇:智能家居门禁系统指纹锁方案
下一篇:工业机器人时代如何进行专利布局