时间:2014-12-23 10:15
人气:
作者:admin
在电机控制系统中,客户端要通过上位机来设置电机的运行参数,而被控电机也要将各种运行状态信息实时地传给远程控制端客户,串行通信由于连线少,成本低,简单可靠,被广泛应用。本文利用SCI串行通讯接口实现DSP控制器与PC机的通信连接;电机控制系统中还必须有数码显示驱动电路,以便于现场控制人员及时了解电机当前的转速等信息,因此利用SPI同步串行口来实现DSP与外围设备之间的通信就很有必要。分析了数字信号处理芯片TMS320LF2407A DSP的串行外设接口SPI,及串行通信接口SCI模块。在电机控制实验系统中,给出了由这2个模块构成的串行通信应用实例。重点讲述了相关的串行通信接口电路硬件设计高。
串行通信接口模块的硬件电路设计
电机的运行参数,如转向、转速及位置信号等由主机制定,通过RS232串行通信传输到DSP,DSP再将运行结果返回给主机的电机控制系统中,以实现远程客户端和被控电机之间的通讯。由于上位机(PC)一般都带有RS232接口,所以我们利用上位机的串行口与下位机DSP的异步串行口SCI来进行RS232C通信和数据交换,实现计算机对工业现场被控对象的检测和控制。TMS32OLF24O7A的串行通信接口电路如图2所示。该电路采用了符合RS232标准的驱动芯片ADM2O2E进行串行通讯。ADM2O2E芯片功耗低,集成度高,+5 V供电,具有2个接收和发送通道。由于TMS320LF2407A采用+3.3 V供电,所以在ADM202E与TMS320LF2407A 之间必须加电平转换电路,本文采用了一个二极管(1N4oo7)和3个电阻进行电平转换。

图2 串行通信接口电路
该实验系统利用DSP的SCI串行通信接口电路实现了DSP控制器与上位机的通讯连接,整个接口电路简单,可靠性高。DSP控制器通过SCI串行通信接口电路,将控制系统的实时运行状态上传给上位机供存储和分析,而上位机则通过SCI串行通信接口电路将控制指令(例如起、停、正转、反转、运行速度等)发送给DSP控制器,以实现对电机控制系统的实时控制。本试验系统的串行通信速率可变,波特率默认值为l 9200,从l200,2400,4800,9 600,到l9 200可调。

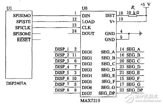
SPI与MAX7219的硬件连接电路
MAX721 9的典型应用电路如图所示,它是由单片MAX7219驱动的8位LED显示器。通过寄存器设置让DSP 工作在主操作模式下,MAX7219作为从片。2407A DSP 的SPISIMO,SPISTE,SPICLK分别与MAX72l9的DIN,CLK,LOAD端相连,MAX7219的DISP_l~DISP一8接8个数码管的位选端,SEG—A~SEG—GP接7段显示器段驱动端及小数点驱动端。SPI通过SPICLK脚向整个通信网提供串行时钟,控制着系统的数据传输;通过SPISTE脚给MAX7219提供片选信号,低电平有效;通过SPISIMO 脚把数据输出到MAX7219的DIN脚上。电阻R 可改变LED的亮度,每段的驱动峰值电流约为R 中电流的100倍。R 的取值不能小于10 kl2。实际使用时,可先用一只可调电阻调节亮度,达要求后用一只相同阻值的固定电阻代替即可。在这里应注意,MAX7219的段电流正常工作范围为l0b40 mA,当段电流超过40 mA时,必须外加扩流电路。
上一篇:工业物联网框架即将到来