时间:2014-09-28 11:29
人气:
作者:admin
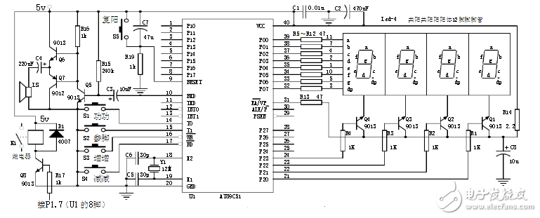
电路原理:共阳极四位一体12引脚数码管引脚号是:将数码管的数字面朝向观察者,左下角是第1脚,逆时针方向依次是2、3、4、5、6、7、8、9、10、11、12脚。2、如果是单个的数码管或两位一体的数码管,先测出数字显示段控制引脚和公共控制引脚,再将四个数码管的相同的段控制引脚用导线并联连接在一起后(每位数码管共八段即八根连接导线),连接在电阻R5~R13上,公共控制引脚分别连接到三极管Q1到Q4的发射极上。3、用40脚的集成块插座焊接在电路板上,集成块AT89C51写入程序后插入到集成块插座上。4、自己设计控制程序或用黄有全老师的程序。5、时钟控制输出由继电器执行,控制启动时间到时,继电器得电,开关k1闭合去控制相应设备启动;控制停止时间到时,继电器断电,开关k1断开去控制相应设备停止。具体控制对象由制作者确定,如电灯、电饭煲等。

数码管是二位一体的共阴极时的电路图。将每个二位一体的数码管的16脚和11脚共四个引脚(对应四个数字的a段)连接在一起后接到电阻R5的右端。数码管中数字的其余各段连接方法依此类推。