时间:2014-09-28 14:03
人气:
作者:admin
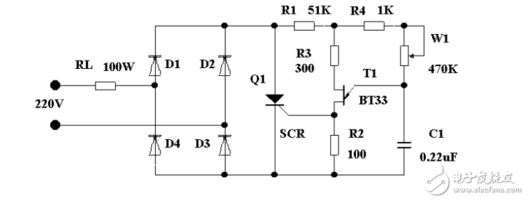
电路功能:当电压低于180V或高于250V时,可进行声光报警。当外接交流接触器时,可切断电源,保护用电设备。
电路原理: 输入电源电压正常时,Y1A输出高电平,Y1B输出低电平,发光二极管LED及振荡发声电路Y1C、Y1D和喇叭不工作,控制部件J1也不工作。当电压高于250V或低于180V时,Y1B输出高电平,发光二极管亮,振荡发声电路工作,发出鸣叫声,控制寄电器J1闭合,当J1的常开触点外接交流接触器时,就可控制主电路断开电源。

调试方法: 第一步当输入电源电压为250V时,调节W1使得Y1A输出刚好由低电平转为高电平,第二步当输入电压为180V时调节W2使得Y1B的输出由高电平转为低电平。
上一篇:可控硅交流调压器模块电路设计