时间:2014-09-30 14:45
人气:
作者:admin
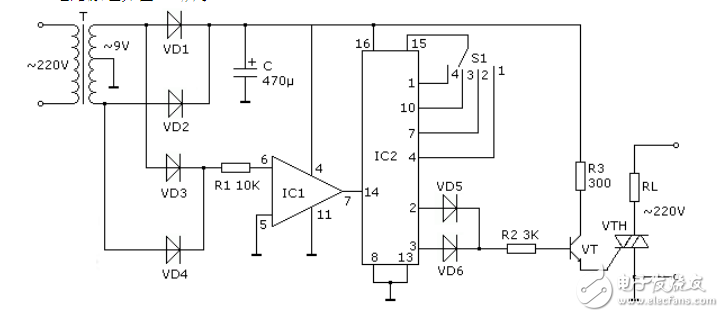
电路工作原理:凋温、调速器采用过零调功电路,可用于各种电热器具(例如电吹风、电饭锅、电爽斗等)的温度调节及串励电动机的调速该调温、调速器电路由电源电路、过零检测电路和功率调节电路组成。电源电路由电源变压器T、整流二极管VD1、VD2和滤波电容器C组成。过零检测电路由二极管VD3、VD4、电阻器R1和运算放大器集成电路IC1组成。功率调节电路由计数/分配器集成电路IC2、功率调节开关S、二极管VD5、VD6、电阻器R2、R3、晶体管VT和晶闸管VTH组成。 交流220V电压经T降压、VD1和VD2整流及C滤波后,产生9V直流电压,供给IC1、IC2和V。VD3和VD4整流后产生的脉动直流电压,经R1加至IC1的反相输入端上。当脉动电压过零(也就是交流电压过零)时,IC1便输出过零脉冲。IC2对IC1输出的过零脉冲进行计数和脉冲分配后,从2脚(Y1端)和3脚(Y0端)输出高电平触发脉冲,通过V来控制晶闸管VT的导通角来实现对负载功率的控制。 S是4档功率调节开关,它用来改变lC2的计数方式。当S置于“1”档时,IC2的4脚(Y2端)通过5与15脚(复位端)相接,IC1每输出一个过零脉冲,IC2·的3脚或2脚就会产生一个触发脉冲,此时VT的导通能力最强,负载(用电器)全功率工作;将S置于“3”档时,IC2的10脚(Y4端)通过5与15脚相接,IC1输出4个过零脉冲,lC2才能产生两个触发脉冲,VT的导通能力降为原来的50%,负载半功率工作。R1—R3选用1/4W碳膜电阻器或金属膜电阻器。C选用耐压值为25V的铝电解电容器。VD1—VD6均选用1N4007型硅整流二极管。VT选用S9013或C8050、S8050型硅NPN晶体管。VTH选用l0A、600V的双向晶闸管。IC1选用μA471型运算放大器集成电路;IC2选用CD4017或CC4017、C187等型号的十进制计数/脉冲分配器集成电路。T选用5-8W、二次电压为双9V的电源变压器。 如器件选择无误,电路安装正确,焊接完成后,该电路无需调试即可直接使用。

上一篇:热带鱼缸水温自动控制器电路图