时间:2014-05-06 10:55
人气:
作者:admin
据统计,电冰箱中使用的电机数量最多,达到约5个;空调和烘干及洗衣机也都要用到2个电机。电冰箱的直流风扇电机、自动制冰机及阻尼器,烘干及洗衣机的节气阀和排水/供水泵等应用通常会使用到单芯片的集成电机驱动器,而空调的直流风扇室外机/室内机、烘干及洗衣机的直流风扇电机会使用到电机控制器。这些电机驱动器/控制器适合的电压及电流范围也各不相同,如图1所示。

图1:电机驱动器/控制器在白家电中的应用
电冰箱用BLDC电机驱动器
1、直流风扇电机
对于电冰箱而言,通过风机通风来排热是重要功能。安森美半导体提供应用于电冰箱通风用BLDC电机驱动的单相及3相电机驱动器,包括单相带传感器脉宽调制(PWM)软开关电机驱动器LV8861VH、三相无传感器脉冲幅度调制(PAM)电机驱动器LB11685AV,以及三相无传感器PWM软开关电机驱动器LV8804FV和LV8805SV等。这些器件提供静音驱动、高能效、变速控制及锁定保护等关键特性。
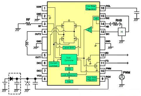
其中,LV8861VH是最大能耗仅1.3 W的单相风扇电机驱动器。这器件的VCC为7至18 V,输出电流可达1.2 A。LV8861VH藉安静的PWM驱动器提供单相全波工作,实现静音驱动,并提供高能效。这器件可由PWM输入来控制速度,帮助简化设计;其它特性包括产生的热量低、包含快速启动电路、锁定保护及自动恢复电路、可调节限流器、过热关闭等。

图2:LV8861VH框图及应用示意图
LB11685AV采用无传感器设计,简化制造;软启动有利于提升启动时的稳定性;软开关则有助于提供静音驱动;锁定保护特性也可防止受到损坏。
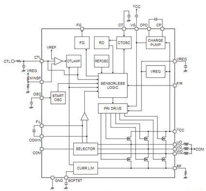
LV8804FV和LV8805SV均是三相BLDC电机无传感器驱动IC。三相驱动器支持低能耗及低振动工作。无霍尔传感器驱动器支持减小电机系统的尺寸。这两颗IC非常适合于像电冰箱风扇及服务器风扇这样的要求高可靠性及长使用寿命的应用。

图3:LV8804FV框图
上一篇:解密变频器抗干扰问题