时间:2014-05-12 14:58
人气:
作者:admin
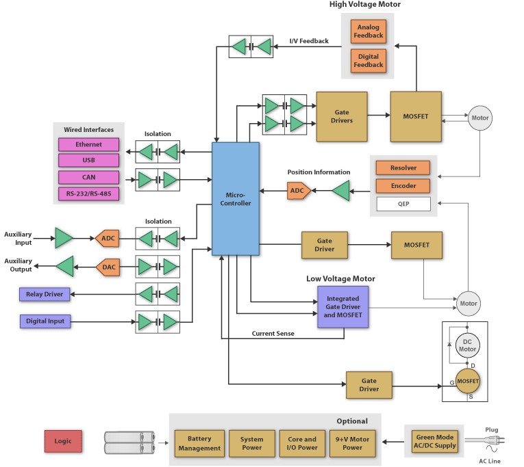
方框图

设计注意事项
刷式直流电机概述
刷式直流电机使用刷子进行换向。电枢或转子具有绕线,可端接至换向器。刷子通过形成或断开接触为电枢提供电源。
定子可能具有两个或更多永久磁性;相反的定子磁性极性和激磁绕线异极相吸,导致转子旋转。当转子与定子位置对齐时,刷子将跨越换向器并驱动下一个绕线。
刷式直流电机需要维护并具有线性扭矩/电流曲线。这些电机易于控制,其速度和扭矩与电流和电压成正比。
微处理器
具有 4 个脉宽调制器 (PWM) 信号的任何 MCU 系列均可以用于驱动连接到刷式直流电机的 H 桥 DC/DC 转换器。根据控制算法的复杂性,反馈控制可能使用霍尔传感器或编码器。
鉴于其在工作模式和休眠模式中的超低功耗操作功能,TI 的 MSP430 可以成为控制低端、电池供电的刷式直流电机系统的理想选择。
C2000™ 和 Stellaris® MCU 具有 QEI 输入,可接受编码器输入。Hercules® MCU 可通过灵活的 HET 协处理器接收编码器输入。如果需要高性能和实时操作,C2000 MCU 系列就是最佳选择。C2000 或 Stellaris MCU 可满足中端系统要求。Hercules MCU 是系统需要基于 IEC61508 等安全标准认证时的首选并可支持各种性能需求。
隔离
TI 数字隔离器具有逻辑输入和输出缓冲器,这些缓冲器由 TI 的二氧化硅 (SiO2) 隔离势垒进行隔离,可提供 4kV 隔离。
当与隔离电源配合使用时,这些器件可阻止高电压、隔离接地以及防止噪声电流进入本地接地并干扰或损害敏感电路。
接口/连接
传统模拟 RS-232/RS-485 接口一直是电机控制应用的常见选择。展望未来,设计人员将在其产品中集成主流接口,如以太网、USB 和 CAN。
TI 致力于同时为传统和新兴工业接口提供解决方案。例如,TI 最近推出了全世界首款隔离式 CAN 收发器 ISO1050。
电源管理
德州仪器 (TI) 提供从标准 IC 到高性能插件、变压器、数字电源 MOSFET 和集成电源模块的电源管理 IC 解决方案。
上一篇:德州仪器交流感应电机控制方案
下一篇:德州仪器低压电机控制方案