时间:2014-05-12 15:22
人气:
作者:admin
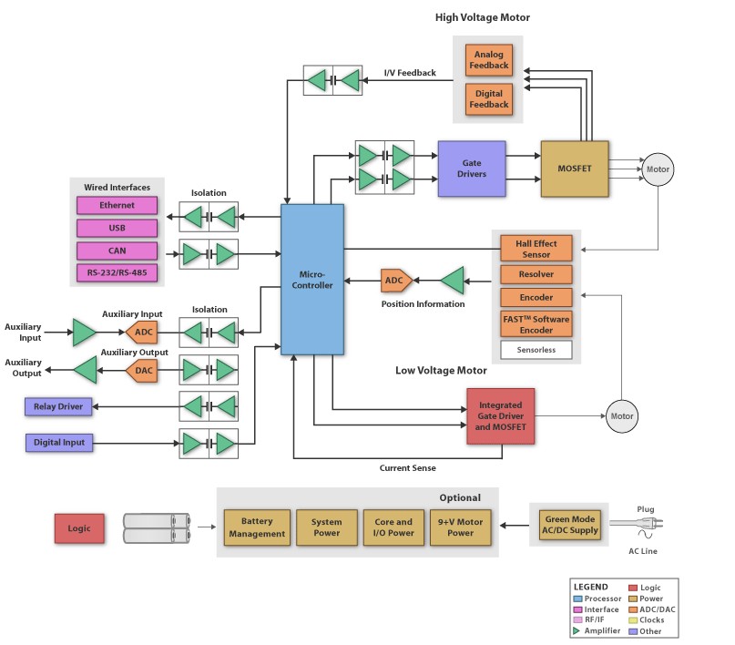
方框图

设计注意事项
无刷直流(BLDC)电机概述
无刷直流电机具有定子绕线和永久磁性转子。绕线连接到控制电子,且电机内部没有刷子和换向器。电子类似于换向器驱动适当的绕线;在围绕定子旋转的移动模式中驱动绕线。驱动的定子绕线引导转子磁性。
BLDC电机效率更高,运行更快更安静,需要电子以控制旋转场。BLDC电机制造成本更低,易于维护。
驱动BLDC电机需要三相反向器。反向器包含三个半H桥,使用辅助信号控制其高位和低位开关。在关闭高侧开关和开启低侧开关之间保有延迟是非常重要的。这将消除潜在的开关短路。
微处理器
TI的C2000™系列MCU可以通过使用标量或矢量控制技术控制BLDC电机。了解转子位置对于高效控制BLDC电机非常重要。通过连接至电机的霍尔传感器或旋转式编码器能够检测到转子的位置。这些传感器输入用于含传感器的反馈控制系统。
转子位置还可通过使用反电动势电压信息进行估算。此反馈控制模式无需使用传感器和附加接线。位置或度评估器也可用于计算转子位置。
C2000MCU上的集成高速12位ADC转换器、高分辨率脉宽调制器(PWM)和正交编码器输入(QEI)使其适合于实施BLDC电机控制。C2000MCU内核能够在短时间内执行复杂的数学函数,使此MCU系列成为实施矢量控制技术和同时控制多个电机的理想选择。此系列的PWM具有可编程死区延迟,可驱动高侧和低侧闸极驱动器。C2000MCU还可通过使用梯形或正弦控制驱动BLDC电机。
Stellaris®系列MCU向偏爱开放式构架内核的客户提供基于ARM的解决方案。这些MCU还为传感器的控制提供集成ADC、电机控制特定的PWM和QEI输入。其基于硬件的故障检测系统可更快地关闭系统,无需软件干预。这些MCU也可用于实施标量和矢量控制技术。
MSP430器件基于16位RISC架构,在工作模式和休眠模式中具有超低功耗操作功能。通过使用接受较低性能的标量技术,这些MCU可用于BLDC电机控制。集成驱动器可配置为PWM输出并可通过梯形控制控制闸极驱动器。
Hercules®安全MCU可提供基于ARMCortex-R4f的解决方案并被认证为适合用于需要实现IEC61508SIL-3安全级别的系统中。这些MCU还可通过灵活的HET协处理器提供集成浮点、12位ADC、特定于电机控制的PWM及编码器输入。Hercules安全MCU还可用于实施标量和矢量控制技术并支持各种性能需求。
隔离
TI数字隔离器具有逻辑输入和输出缓冲器,这些缓冲器由TI的二氧化硅(SiO2)隔离势垒进行隔离,可提供4kV隔离。
当与隔离电源配合使用时,这些器件可阻止高电压、隔离接地以及防止噪声电流进入本地接地并干扰或损害敏感电路。
接口/连接
传统模拟RS-232/RS-485接口一直是电机控制应用的常见选择。展望未来,设计人员将在其产品中集成主流接口,如以太网、USB和CAN。
TI致力于同时为传统和新兴工业接口提供解决方案。例如,TI最近推出了全世界首款隔离式CAN收发器ISO1050。
电源管理
德州仪器(TI)提供从标准IC到高性能插件、变压器、数字电源MOSFET和集成电源模块的电源管理IC解决方案。从AC/DC和DC/DC电源、线性稳压器和非隔离式开关DC/DC稳压器到PMIC和电源及显示解决方案,德州仪器(TI)的电源管理IC解决方案都能帮助您完成项目开发。
推荐课程:
张飞软硬开源,基于STM32 BLDC直流无刷电机驱动器视频套件
http://t.elecfans.com/topic/42.html?elecfans_trackid=fsy_post
上一篇:德州仪器低压电机控制方案
下一篇:德州仪器永磁同步电机控制方案