时间:2012-09-12 15:11
人气:
作者:admin
引言
温度、湿度是工农业生产的主要环境参数.对其进行适时准确的测量具有重要意义。利用单片机对温、湿度控制。具有控温、湿精度高、功能强、体积小、价格低,简单灵活等优点,很好的满足了工艺要求。本文介绍了利用AT89S52单片机进行温度和湿度的检测及其控制的智能化方法。
1 系统基本方案
本系统采用AT89S52单片机作为控制核心.对采集到的湿度模拟电压信号通过ADC0809进行分析处理.实现A/D转换.以便数码管显示其湿度值。本设计可以手动设置温度/湿度的上、下限值,如只要有一样与设定的值不符合时,即温度/湿度过高或过低,则该系统会发出语音报警,同时继电器立即切断电源.实现系统的保护。
2 硬件系统的组成
(1)主控模块:采用AT89S52单片机作为系统的控制器。Pl口控制数码管显示温度和湿度值。P2口与ADC0809连接.实现湿度模拟电压量转换为数字量便于单片机处理。键盘控制采用PO口.其中PO.O是温度的设置,PO.1是湿度的设置,PO.2/PO.3是分别对温度与湿度的上/下限值进行设置。P0.4是DS18820温度传感器的接线口.PO.6是ISD1420语音芯片的接线口。原理如图l:

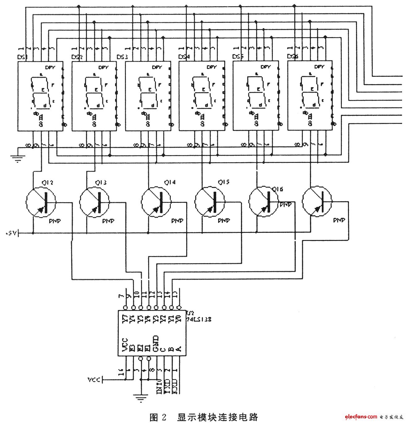
(2)显示模块:系统采用动态显示方式驱动6个数码管工作,其中4个数码管用来显示温度值,2个用来显示检测到的湿度值。用74LSl38的输入端来选择位码.单片机的P1口控制数码管的断码。如检测到的温度与湿度发生变化时,数码管即会发生相应的变化,起到实时显示功能,电路如图2。
