时间:2010-08-05 17:25
人气:
作者:admin
在实际使用中,载货汽车的电源电路及配件在性能和技术方面存在的不足是显而易见的。为此,我们研制出一种汽车多功能电子搭铁控制开关,成功地解决了存在的问题。
该搭铁开关的主要功能有:①产生起动失控故障时,自动切断总电源;②熄火停用时,在未关掉用电电器或未断开电源搭铁开关一段时间后,自动切断总电源;③需要起动车辆或故障消除后,自动复位通电,可顺利起动车辆,保护了蓄电池和起动机,实现了机械设备(如汽车、拖拉机、发电机、坦克以及油田用作业机、通并机等)电源电路的自动控制。
实践证明,汽车多功能电子搭铁控制开关具有自动化程度高、安全可靠、可操作性强、成本低廉、适用性强等特点,具有广阔的推广前景。该搭铁开关已获国家实用新型专利(专利号ZL2003 20106600.3)。
1.传统搭铁制控开关存在的不足
1)起动时经常产生起动失控故障,即起动机的小齿轮与发动机飞轮齿圈分离不开。究其原因主要是:①起动电流大,使起动机上的电磁开关触点烧蚀、拉毛,加上保养不及时,起动机回位机构由于脏污而发卡,致使起动机电磁开关触点粘连;②机油温度低、粘度大(尤其是在冬季),导致起动时发动机沉重,使起动机与发动机飞轮齿圈分离不开。发生起动失控故障后,若不能及时加以调试,会造成起动机或蓄电池损坏、报废,严重的甚至造成事故。
2)机械式搭铁控制开关虽然简单实用,但熄火停用时,有可能忘记断开电源搭铁开关,使得蓄电池放电、亏电,致使蓄电池损坏。另外,在重新起动工作时,由于蓄电池电量不足或损坏,使机械设备无法正常工作。
3)安全、可靠性相对较低,不能实现自动控制,需要人工操作。
2.多功能电子搭铁控制开关的结构及性能
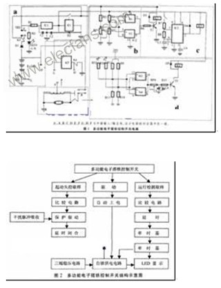
多功能电子搭铁控制开关主要由四大部分组成:a )起动失控控制电路;b)电磁式继电器;c ) IC集成自动断电电路;d)三端稳压电路,其电路见图1,各部分的逻辑结构见图2。

由图1可见,起动失控控制电路a连接在起动机与电磁式继电器b之间,IC集成自动断电电路c连接在三端稳压电路d和蓄电池上,电磁式继电器b连接在蓄电池与起动机之间,三端稳压电路d连接在蓄电池上。
多功能电子搭铁控制开关的主要性能:
1)产生起动失控故障时,电子搭铁控制开关自动断电,使起动机不再运转,从而保护起动机和蓄电池不被损坏。故障消除5s后,控制开关自动复位,可继续进行下一次正常起动。
2)汽车停止运转10min后,电子搭铁控制开关自动断电,切断汽车搭铁回路,以防止蓄电池漏申,重新起动车辆时,只需按一下复位按钮,电路便可自动接通。
3)负载电流:0~800A/min。
4)灵敏度:≤1μs。
5)延时误差:≤2%。
3.多功能电子搭铁控制开关的优点
多功能电子搭铁控制开关研制成功后,在我公司64辆载货汽车上投入使用。实际应用证明,该开关克服了现有机械式搭铁开关和电磁式搭铁开关技术上的不足,具有以下显著优点:
1)功能多,既能控制起动失效,又能自动复位通电,且停机时能自动切断电源;
2)自动化程度高,无需人工调试控制,可操作性强;
3)系统装置无漏电,安全可靠;
4)结构简单,安装维修方便;
5)可在多种工况下工作,适用性强,具有很好的推广价值。
4.技术经济效益
1)成功地解决了机械设备存在的起动失控故障,避免了人身、设备事故的发生,安全性强;
2)减少汽车蓄电池、起动机的损坏与报废,节约了材料,并减少了更换、维修的工时损失;
3)减轻了作业人员的劳动强度;
4)生产保障及时。
上一篇:简述倒立摆控制系统