前 言
随着科学技术的飞速发展和 计算机控制技术的日趋成熟,近年来一种以计算机为核心,采用双向可控硅为主控回路的智能化新型控制器 “ 电动机 软启动器 ” 已经在工业生产 领域 中崭露头角 ,它以控制方式灵活简便,对 供电 系统和电气设备 冲击小且控制元件不易 损坏以及维护方便等诸多优点正逐步取代传统的控制装置。 这项新技术的诞生使电动机的启停技术发生了划时代的变化。
在众多生产领域中,由于三相异步电动机具有结构简单、运行可靠、维修简便、价格适宜等特点,在电力拖动机械中有 90% 以上是由三相异步电动机驱动的。按常规惯例,对较大容量的三相异步电动机的启动,一般均采用星—角启动、电抗器启动或者是自耦减压启动。这几种启动方式由于技术比较成熟,所以目前在工农业生产中仍然在大范围的应用。但是不管采用什么方式启动,由于三相异步电动机的启动电流瞬时会形成一个很高的冲击电流,(直接启动电流值是电动机额定电流的 4 ~ 8 倍) 这给供电设备或电网中的电源电压在一定范围内形成短暂的降压现象,而且电动机的容量愈大,造成这种现象也就愈严重。同时由于是硬性启动也会给供电系统和电气设备造成一定的伤害。中大功率的三相异步电动机 启动问题由来已久,电气技术人员一直在试图找出一种能够彻底解决问题的办法。
三相异步电动机软启动装置又称无触点恒流启动,它在电动机与输入电源之间串接一组大功率的双向可控硅,由控制电路采用电子智能化控制改变可控硅的导通角,使电动机电压平稳增加,并将电动机的启动电流控制在电动机额定电流值的 1 ~ 2.5 倍之间,并连续可调,这样就会减轻冲击电流对电动机及供电设备或者电网的损害,改善了供电系统的稳定性。
同时电动机软启动器对三相异步电动机的启动或运行过程中的各项参数实施信息搜索、检测,及时调整可控硅的触发脉冲,能够对电动机的过载、过流、缺相等故障及时反馈到处理器中进行辨别和处理,有效地保护了电动机和电气设备。三相异步电动机软启动器的科技含量高,保护功能比较完善,并且启动能力强,对 5.5 ~ 500KW 的三相异步电动机均可启动。它的应用领域可以涵盖工农业生产中的电动机传动设备,是传统启动方式理想的更新换代产品。目前国内已有十几家在生产电动机软启动器,工作原理大体相似,笔者根据多年在探矿工程应用情况并结合 CMC系列电动机软启动装置进行了一番探讨。
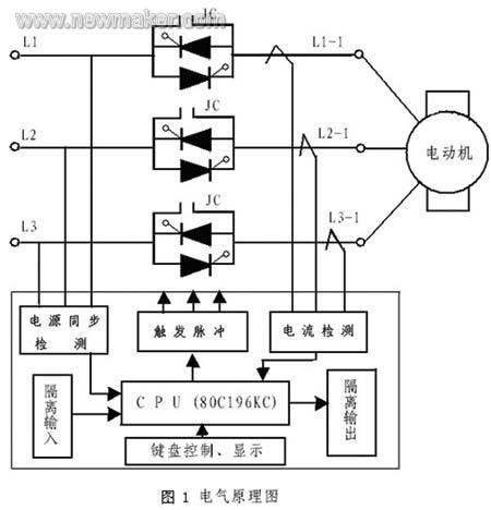
2 电动机软启动器的工作原理
CMC系列电动机软启动器主要有大功率双向可控硅、交流接触器以及电子控制部分组成。控制部分的核心是一块 CPU 电脑芯片【 80C 196KC 】(电气原理见图 1 ),将三对可控硅桥串接在电动机的三相供电线路上,利用可控硅的电子开关特性,通过控制其触发导通角的大小来改变可控硅的开通程度,由此来改变电动机输入电压和输入电流的大小,已达到控制电动机的启动特性。

由键盘输入或外部控制按钮将指示
信号输入到软启动器的电脑芯片中,芯片根据预置的程序启动电动机。启动模式有两种,斜坡电压启动和限流启动,如图 2 是斜坡电压启动的理论图形。
限流软启动控制模式:如图 3 所示,电动机启动时,其输出电压从零迅速增加,直至输出电流达到设定的电流限幅值I m ,然后保证输出电流在不大于该值的情况下,电压逐渐升高,电动机逐渐加速,完成启动过程。

电动机启动结束后,交流接触器的吸合为了避免能量损耗,在旁路掉可控硅元件后,
控制系统仍然工作,在电动机运行过程中,如出现过载、过流、缺相等故障时,电脑芯片会及时发出指令,切断主电源。
3 电动机软启动器的特点
这里结合探矿工程中的空压机站的实例
控制工程网版权所有,谈一下电动机软启动器的应用特点。空压机的动力采用的是三相异步电动机( 75KW ) , 控制系统结构如图 4 所示,主要包括电动机软启动器、
PLC 可
编程控制器、
压力传感器、进气电磁阀、监视报警和关机保护功能。其工作原理是当气罐气压降至空压机启动值时, PLC 可编程控制器向电动机软启动器发出启动命令,软启动器通过可控硅控制电动机的启动电压和电流,使空压机系统平滑启动到空载。当电压达到额定值时,接触器吸合,可控硅短路,三相电源直接加在电动机上,软启动器启动完成,并向可编程控制器发启动完成信号。可编程控制器经过 10 秒钟的延时,导通进气电磁阀,空压机带载运行,向气罐打气;当气罐气压达停机值时,可编程控制器切断进气电磁阀,使空压机系统进入空载状态, 3 秒钟后向电动机软启动器发停机令,在软启动器的控制下,电动机逐渐减速至完全停机。

运行情况表明,其可靠性、功能和性能与原传统启动系统相比都有显著的改善和提高。主要体现在以下特点:
( 1 )在结构上采用电动机软启动器作为控制输出执行元件,控制逻辑用 PLC 可编程控制器实现,使得系统结构简单明了,采用数字监控和数字设定,提高了控制系统的可靠性,也便于维护。同时具有外控功能,可根据使用情况进行连接,方便控制。
( 2 )电动机软启动器对电动机提供平滑渐进的启动过程,减少启动电流对电网或发电设备的冲击,将启动电流控制在安全范围内,改善了原控制系统因启动电流较大冲击厂用电源而影响其它设备正常运行的状况。
( 3 )启动过程采用双向可控硅,启动过程完成后,接触器短接可控硅的控制方式,避免了用接触器直接控制电动机使触点易拉弧、粘连、烧坏等故障的发生CONTROL ENGINEERING China版权所有,同时也节约了能源。
( 4 )软启动、软停车方式,降低设备的振动和噪声,减少机械应力,延长发电设备及机械传动系统地使用寿命。
( 5 )具有过流、过载、电源缺相等多种保护功能,同时可以检测到负载所涉及(如空压机)系统各种不良运行情况,有利于保护设备的安全运行。
( 6 )控制盘上的显示功能,便于在现场全面了解设备运行情况。
( 7 )数字化参数设定及显示功能直观、方便、省时。
4 结束语
电动机软启动器的研制阶段起始于二十世纪八十年代,经过这么多年的发展,技术不断成熟,功能日趋完善。除了完全能够满足电动机平稳启动这一基本要求外,还具有很多优点,比如可靠性高、维护量小、对电动机的保护功能齐全以及参数设置简单。
经过笔者在探矿工程中多年实践,发现目前电动机软启动器仍有一个缺陷,那就是不能长时间用于启动转矩要求很高的电动机驱动装置上,这种局限性主要因为,软启动器实际上是靠将自身电压斜坡式抬升至最大值(而在停机过程中设定电压是逐渐下降达到停机)来完成工作。由于扭矩与电压平方成正比,这就使电动机不能从一开始就达到最大扭矩,因此,目前的电动机软启动器比较适合于一些空载或轻载的启动设备。同时CONTROL ENGINEERING China版权所有,目前所生产的电动机软启动器的价格不菲,市场价格不容易被人接受,这对今后的普及和应用是一大阻碍。