全球最实用的IT互联网信息网站!

AI人工智能P2P分享&下载搜索网页发布信息网站地图

当前位置:诺佳网 > 电子/半导体 > 工业控制 >

新元矿主扇风机三级变频高压软起动设计应用

时间:2010-06-19 09:15

人气:

作者:admin

标签: 变频  风机  软起动 

导读:新元矿主扇风机三级变频高压软起动设计应用-摘 要:介绍一种通过控制晶管来实现有级变频,无级调在的软起动装置及在大型煤矿主风机中的应用情况。 关键词:三级变频,软起动装...
摘 要:介绍一种通过控制晶管来实现有级变频,无级调在的软起动装置及在大型煤矿主风机中的应用情况。
关键词:三级变频,软起动装置

煤矿因生产的特殊性,矿井通风系统关系到矿山的安全生产,所以通风系统在煤炭生产中具有举足轻重的地位。由于供电线路长,起动压降大,最大限度地保障设备安全可靠的进行风机起动和主备切换起动,是增强系统可靠性的重中之重。阳煤集团新元矿于2006年11月份,新投运的主扇风机为GAF型轴流风机(该风机经查询为亚洲煤矿最大的通风机)。该主扇风机的电机10KV 5000KW 异步电动机。为了更好的解决项目中所遇到的起动时对电网的冲击,以及对负载冲击问题,本系统采用了由辽宁荣信电力电子股份有限公司自主研发生产的三级变频高压软起动设备。

1、 软起动器的几种起动方式

按电机起动原理来划分:1、降压起动方式。电机传统的减压起动方式有Y-Δ起动、自耦变压器减压起动、电抗器起动等。这些起动方式都属于有级减压起动,存在明显缺点,即起动过程中出现二次冲击电流。目前高压常见的起动方式为液态水阻起动,可控硅串联减压起动。2、变频起动方式。随着IGBT技术的发展,高压变频的电压等级和容量越来越大,但由于价格因数一直制约着它的发展。

荣信电力电子股份有限公司,在SVC基础上成功地研制了三级变频高压软起动,它具有三级变频无极调压的特点。

2、 三级变频高压软起动的技术原理和特点

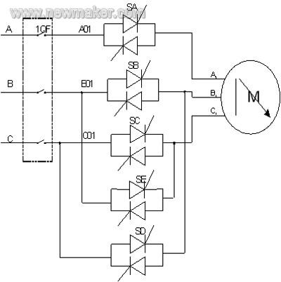
将高压软启动串联在电源和电机之间,主电路原理见图1。

newmaker.com
图1 主电路原理图

三级变频高压软启动首先采用可控硅串联技术,然后通过控制可控硅的导通角来实现有级调频,和无极调压的功能。在起动初期通过控制阀组SA,SB,SC得导通来实现一级频率12.5HZ,在电机达到1/4额定转速的时候,通过控制阀组SA,SD,SE切换到25HZ,在电机达到1/2额定转速后,通过控制阀组SA,SB,SC来完成全频的切换过程,最终达到额定转速,闭合旁路关闭软起动触发脉冲,完成起动过程。在整个起动过程中,在三个频率点上,在调整频率的同时,改变输出电压,保持压频比恒定,这样就可以保证在整个起动的过程中,起动转矩保持在额定转矩的80-90%,而起动电流可以控制在2倍额定电流左右。起动力矩大,起动电流小,是三级变频高压软起动的最大的技术特点。

3、在新元矿主扇电机的实际应用。

阳煤集团新元矿是一个新建矿井,它的电网容量是35KV,10000KVA,由于这个电网负责整个井下,井上的电器设备供电,所以电网的余量比较小,为了保证在起动过程中不影响其他设备运行,对主扇起动电流要求很严格。且由于它地处高瓦斯区域,它采用了大风量高负压得轴流风机(双级风叶目前是亚洲矿用最大的轴流风机),主扇电机的功率为10KV, 5000KW。在整个起动过程中,表现出了起动力矩大,起动电流小,起动平稳,起动时间短的优点。实测数据见表1。

日期 风叶级数 风叶角度 起动最大电流 起动时间 起动后正常电流
10.20 一级风叶 -15 1.8Ie 25S 80A
-10 1.8Ie 28S 100A
-5 2Ie 30S 150A
0 2Ie 33S 180A
二级风叶 -15 2Ie 25S 200A
-10 2Ie 30S 240A
-5 2.3Ie 35S 300A
0 2.4Ie 38S 340A

4、结束语

该系统于2006年11月份正式投运,到目前一直良好地运行,没有任何故障。它为今后矿用大型电机设备,找到了一个高性能,高性价比的一种起动设备。

参考文献:
[1]王成元,夏加宽,杨俊友等.电机现代控制技术.北京:机械工业出版社,2007.
[2]李德华.交流调速系统.北京:电子工业出版社.2003.
[3]吴风江,高晗缨,孙力等. 基于DSP的SUPWM快速算法研究.电气传动2006(9):44~49.
[4]黄俊,王兆安.电力电子变流技术.北京: 机械工业出版社.1999.
[5]谢宝昌,任永德.电机的DSP控制技术及其应用.北京:北京航空航天大学出版社.2005.
[6]陈伯时.电力拖动自动控制系统—运动控制系统(第三版). 北京:机械工业出版社,2004.
[7]Bimal K.Bose.现代电力电子学与交流传动.王聪,赵金,于庆广,程红等。北京: 机械工业出版社,2005.
[8]胡长生,韩钰,苏行等.高性价比软起动器的研究[J].电力电子技术,2004,38(5)。51~85。
[9] 苏行.电子软起动器的研究[D].杭州:浙江大学,2004.
温馨提示:以上内容整理于网络,仅供参考,如果对您有帮助,留下您的阅读感言吧!
相关阅读
本类排行
相关标签
本类推荐

CPU | 内存 | 硬盘 | 显卡 | 显示器 | 主板 | 电源 | 键鼠 | 网站地图

Copyright © 2025-2035 诺佳网 版权所有 备案号:赣ICP备2025066733号
本站资料均来源互联网收集整理,作品版权归作者所有,如果侵犯了您的版权,请跟我们联系。

关注微信