A4936是
Allegromicro
公司的完整的三相无刷
DC(
BLDC)马达预
驱动器,提供高达28V的输出,直接用来驱动六个功率N-
MOSFET的大
电流栅极。骑虎难下包括三个霍尔器件输入,用于换相控制的顺序器,PWM电流控制以及同步转子
检测。本文介绍了A4936主要特性和优势,功能方框图和典型应用框图。
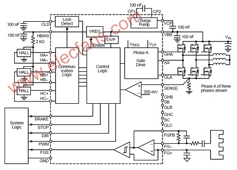
The A4936 is a complete 3-phase brushless DC mot
or pre-driver, supplying up to 28 V output for direct, high-current gate drive of an all N-channel power MOSFET 3-phase bridge. The device has three Hall-element inputs, a sequencer for commuta
tion control, fixed off-time pulse width modulation (PWM) current control, and locked-rotor detection.
Output current is sca
led by the capability of the ex
ternal
MOSFETs. Locked rotor detection delay is set by an external capacitor on the CLD terminal. The PWM, DIR, and BRAKE and STOP inputs
can be used to control motor speed, position, and torque. Motor speed can be determined using the FG output from an FG coil amplifier and comparator.
The external MOSFETS can be PWMed using an external signal on the PWM input, or using the internal PWM current regulator. In either case, the A4936 synchronous rectif
ication feature reduces power dissipation by turning-on the appropriate MOSFETs during current decay.
The Hall elements can be inexpensive types, when used with noise filtering to prevent false commutation signals. The A4936 provides a regulated 7.5 V supply to power the three Hall elements. Internal circuit protection includes thermal shutdown with hysteresis, undervoltage lockout, and de
ad time protection. Special power-up sequencing is not required. Operating temperature range is –20℃ to 105℃.
The device p
ackage is a 32-contact, 5 mm × 5 mm, 0.90 mm nominal overall height QFN, with exposed pad for enhanced thermal dissipation. This small-footprint package is lead (Pb) free, with 100% matte tin leadframe plating.
A4936主要特性和优势:• Drives 6 N-channel MOSFETs
• Synchronous rectification for low power dissipation
• Internal UVLO and thermal shutdown circuitry
• Hall element inputs
• PWM current limiting
• Dead time protection
• FG outputs
• Standby mode
• Lock detect protection
• Overvoltage protection

图1。A4936功能方框图

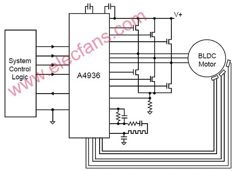
图2。A4936典型应用框图