- LED是一种性能优良的显示器件,具有寿命长、节电、高亮度、多种发光颜色、响应速度快和驱动电压低等优点,在节省能源的同时还可以通过PWM器件调节LED发光强度,依据R、G、B三原色混光原理调出多种颜色,再通过MCU智能控制实现多种显示效果。现正大量应用于城市亮化、建筑景观照明、舞台灯光设计等领域。
主要
芯片:PCA9633/34/35:
NXP I2总线RGB/RGBA LED闪烁/混光芯片;
TEA152x:NXP
电源芯片;
LPC92x:NXP 900系列MCU;P82B96/PCA9600:NXP
I2C总线
驱动芯片。
1. 点光源:应用LED彩色屏显示原理,将其像素放大,降低整体造价成本,每个模块为一个彩色像素点。应用环境:酒吧、KTV、舞台、商场、展厅,作为音乐旋律显示,背景墙装饰、幕墙广告等。
2. LED彩虹管:每条灯管由多个彩色像素点(RGB)组成,每个单色像素点可产生256个灰度级的变化。应用环境:立交桥、河道护栏、建筑外墙等不同场所的装饰照明。
系统
硬件设计:
LED彩灯
控制系统主要包含驱动模块、控制模块、
LED电源三部分。
1. 驱动模块设计
如何实现让LED模块呈现不同的颜色,主要依靠人的视觉间歇惰性原理,利用对R、G、B三原色的LED的占空比实现颜色的混合。本设计方案的LED颜色显示主要依靠NXP
公司的I2C
接口LED闪烁/混光驱动芯片PCA9633(PCA9633-4位PWM输出,PCA9634-8位PWM输出,PCA9635-16位PWM输出)输出256灰度级的颜色来实现彩色显示。
控制器只需要传送该模块的RGB颜色的灰度值即可实现颜色显示。
1. 4路
LED驱动,每路驱动可以通过软件
编程为四种状态,分别是:开、关、可编程PWM闪烁控制输出、可编程每路灰度级别,同时支持四路整体亮度调节的PWM混光输出。
2. 调光控制,PWM输出频率97kHz,每路有256个灰度级别。
3. 闪烁控制,PWM可编程频率范围24Hz~10.73s,占空比可编程范围0%~99.6%。
4. 可通过190Hz的PWM输出对四路PWM输出整体亮度256级调节。
5. 四位输出可编程设置为推拉输出(在5V时,灌
电流25mA,拉电流10mA)。
6. 7个硬件地址设定引脚,同一I2C总线最大可接126片。
7. 每片PCA9633有四个可编程软件地址:一个全部响应地址和三个子地址。
8. 内置25MHz晶振和上电复位电路,也可通过I2C总线实现软件复位。
9.
SDA/SCL内置噪声
滤波器,支持1MHz的I2C快速模式。
10. 支持热插入,低待机电流,支持电压范围:2.3~5.5V。
下图为驱动单元的设计,其中红绿蓝3色LED的数量可以是多个的,根据自己的设计要求可以选择并联或串联的方式,再按照LED的连接方式及电压/电流等要求选择适合的开关管即可,少量的LED也可用PCA9633直接驱动,具体
参数见PCA9633
资料。驱动模块通过PCA9633的A6~A0管脚设定访问地址,接到控制模块输出的I2C总线上就可正常工作,每条I2C总线可接126块调光驱动模块。
- 2. 控制模块设计
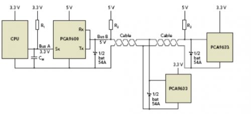
控制模块如下图所示,主要作用是通过MCU对I2C总线上所有调光模块进行控制,以实现各种显示效果,P82B96为I2C总线驱动芯片,用来提高总线驱动能力,传输速率在20~50kbps时,传输距离可达1km。MCU可根据实际的系统要求进行选择,在控制总线器件调光的同时还可以加入其它的操作,例如显示图像处理、与PC通信、扩展存储空间等等。

3.
电源部分
电源部分要根据具体的LED数量及连接方式等因素确定具体参数,下图为采用NXP STARplug系列芯片的LED电源方案,该方案设计简单,体积小,宽电压输入,低成本,低损耗等优点,被广泛应用于LED领域。