时间:2009-03-20 08:44
人气:
作者:admin
一、设计任务与要求
1.设计一个十字路口的交通灯控制电路,要求甲车道和乙车道两条交叉道路上的车辆交替运行,每次通行时间都设为25秒;
2.要求黄灯先亮5秒,才能变换运行车道;
3.黄灯亮时,要求每秒钟闪亮一次 。
二、实验预习要求
1.复习数字系统设计基础。
2.复习多路数据选择器、二进制同步计数器的工作原理。
3.根据交通灯控制系统框图,画出完整的电路图。
三、设计原理与参考电路
1.分析系统的逻辑功能,画出其框图
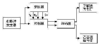
交通灯控制系统的原理框图如图12、1所示。它主要由控制器、定时器、译码器和秒脉冲信号发生器等部分组成。秒脉冲发生器是该系统中定时器和控制器的标准时钟信号源,译码器输出两组信号灯的控制信号,经驱动电路后驱动信号灯工作,控制器是系统的主要部分,由它控制定时器和译码器的工作。图中:
TL: 表示甲车道或乙车道绿灯亮的时间间隔为25秒,即车辆正常通行的时间间隔。定时时间到,TL=1,否则,TL=0。
TY:表示黄灯亮的时间间隔为5秒。定时时间到,TY=1,否则,TY=0。
ST:表示定时器到了规定的时间后,由控制器发出状态转换信号。由它控制定时器开始下个工作状态的定时。
![]() |
![]() |
|
图12、1 交通灯控制系统的原理框图 |
2.画出交通灯控制器的ASM(Algorithmic State Machine,算法状态机) |
(1)图甲车道绿灯亮,乙车道红灯亮。表示甲车道上的车辆允许通行,乙车道禁止通行。绿灯亮足规定的时间隔TL时,控制器发出状态信号ST,转到下一工作状态。
(2)甲车道黄灯亮,乙车道红灯亮。表示甲车道上未过停车线的车辆停止通行,已过停车线的车辆继续通行,乙车道禁止通行。黄灯亮足规定时间间隔TY时,控制器发出状态转换信号ST,转到下一工作状态。
(3)甲车道红灯亮,乙车道黄灯亮。表示甲车道禁止通行,乙车道上的车辆允许通行绿灯亮足规定的时间间隔TL时,控制器发出状态转换信号ST,转到下一工作状态。
(4)甲车道红灯亮,乙车道黄灯亮。表示甲车道禁止通行,乙车道上位过县停车线的车辆停止通行,已过停车线的车辆停止通行,已过停车线的车辆继续通行。黄灯亮足规定的时间间隔TY时,控制器发出状态转换信号ST,系统又转换到第(1)种工作状态。
交通灯以上4种工作状态的转换是由控制器器进行控制的。设控制器的四种状态编码为00、01、11、10,并分别用S0、S1、S3、S2表示,则控制器的工作状态及功能如表12、1所示,控制器应送出甲、乙车道红、黄、绿灯的控制信号。为简便起见,把灯的代号和灯的驱动信号合二为一,并作如下规定:
表12、1 控制器工作状态及功能
控制状态 信号灯状态 车道运行状态
S0(00) 甲绿,乙红 甲车道通行,乙车道禁止通行
S1(01) 甲黄,乙红 甲车道缓行,乙车道禁止通行
S3(11) 甲红,乙绿 甲车道禁止通行,甲车道通行
S2(10) 甲红,乙黄 甲车道禁止通行,甲车道缓行
AG=1:甲车道绿灯亮;
BG=1:乙车道绿灯亮;
AY=1:甲车道黄灯亮;
BY=1:乙车道黄灯亮;
AR=1:甲车道红灯亮;
BY=1:乙车道红灯亮;
由此得到交通灯的ASM图,如 图12、2所示。设控制器的初始状态为S0(用状态框表示S0),当S0的持续时间小于25秒时,TL=0(用判断框表示TL),控制器保持S0不变。只有当S0的持续时间等于25秒时,TL=1,控制器发出状态转换信号ST(用条件输出框表示ST),并转换到下一个工作状态。依此类推可以弄懂ASM图所表达的含义。
3.单元电路的设计
(1)定时器
定时器由与系统秒脉冲(由时钟脉冲产生器提供)同步的计数器构成,要求计数器在状态信号ST作用下,首先清零,然后在时钟脉冲上升沿作用下,计数器从零开始进行增1计数,向控制器提供模5的定时信号TY和模25的定时信号TL。
计数器选用集成电路74LS163进行设计较简便。74LS163是4位二进制同步计数器,它具有同步清零、同步置数的功能。74LS163的外引线排列图和时序波形图如图12、3所示,其功能表如表12、2所示。图中, 是低电平有效的同步清零输入端, 是低电平有效才同步并行置数控制端,CTp、CTT是计 图12、2 交通灯的ASM图数控制端,CO是进位输出端,D0~D3是并行数据输入端,Q0~Q 3是数据输出端。由两片74LS163级联组成的定时器电路如图12、4所示。电路的工作原理请自行分析。
![]() |
![]() |
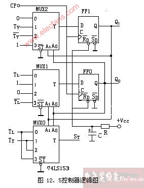
(2)控制器
控制器是交通管理的核心,它应该能够按照交通管理规则控制信号灯工作状态的转换。从ASM图可以列出控制器的状态转换表,如表12、3所示。选用两个D触发器FF1、FFO做为时序寄存器产生 4种状态,控制器状态转换的条件为TL和TY,当控制器处于Q1n+1Q0n+1= 00状态时,如果TL= 0,则控制器保持在00状态;如果,则控制器转换到Q1n+1Q0n+1= 01状态。这两种情况与条件TY无关,所以用无关项"X"表示。其余情况依次类推,同时表中还列出了状态转换信号ST。
表12、2 74LS163功能表
|
表12、3 控制器状态转换表

根据表12、3、可以推出状态方程和转换信号方程,其方法是:将Q1n+1、Q0n+1和 ST为1的项所对应的输人或状态转换条件变量相与,其中"1"用原变量表示,"0"用反变量表示,然后将各与项相或,即可得到下面的方程:

根据以上方程,选用数据选择器 74LS153来实现每个D触发器的输入函数,将触发器的现态值( )加到74LS153的数据选择输入端作为控制信号.即可实现控制器的功能。控制器的逻辑图如图12、5所示。图中R、C构成上电复位电路 。

(3)译码器
译码器的主要任务是将控制器的输出 Q1、 Q0的4种工作状态,翻译成甲、乙车道上6个信号灯的工作状态。控制器的状态编码与信号灯控制信号之间的关系如表 12、4所示。实现上述关系的译码电路请读者自行设计。
四、实验仪器设备
1. 数字电路实验箱
2. 集成电路74LS74 1片,74LS10 1片,74LS00 2片,74LS153 2片,74LS163 2片,NE555 1片
3. 电阻 51KΩ 1只,200Ω 6只
4. 电容 10Uf 1只
5. 其它 发光二极管 6只
五、实验内容及方法
表12、4控制器状态编码与信号灯关系表
1.设计、组装译码器电路,其输出接甲、乙车道上的6只信号灯(实验时用发光二极管代替),验证电路的逻辑功能。
2.设计、组装秒脉冲产生电路。
3.组装、调试定时电路。当 CP信号为 1Hz正方波时,画出CP、 Q0、 Q1、 Q2、Q3、Q4、TL.、TY的波形,并注意它们之间一的时序关系。
4.组装、调试控制器电路。
5.完成交通灯控制电路的联调,并测试其功能。
六、实验报告
1.画出实验电路原理图,并标明各元件的参数值。
2.绘出实验中的时序波形,整理实验数据,并加以说明。
3.写出实验过程中出现的故障现象及其解决办法。
4.回答思考题。
5.心得体会与建议。
七、思考题
能否用具有异步清零功能的计数器74LS161来代替图12、4所示电路中的74LS163?说明理由。
上一篇:PLC的控制内容及工作原理
下一篇:高压变频器的选型注意事项