时间:2009-12-24 16:08
人气:
作者:admin
长寿命低噪声的电磁制动控制电路制作
图1是机电设备中一种常见的电磁制动电路,其工作原理是当K1(或K2,电机运转方向不同)闭合时电机D得电工作,同时制动线圈L得电打开刹车。使用中发现,如果该电路长时间工作时,制动线圈很容易被烧毁,并且正常工作时也伴有嗡嗡的低频叫声。通常制动器工作时,都需要制动线圈有较大的电流制动器才能打开,当制动器打开后较小的电流便能维持其工作。而图1中制动线圈一直工作在制动器打开的模式,其电流大,长时间工作温度升高,易导致烧毁,如果制动线圈的制作工艺差,流过制动线圈的交流电很容易带来50Hz电磁振荡声。为此,本人制作了一种以大电流打开、小电流维持其工作的电磁制动控制电路(见图2),经使用该电路性能稳定,无噪声,一直延用至今三年多从没出现过故障。
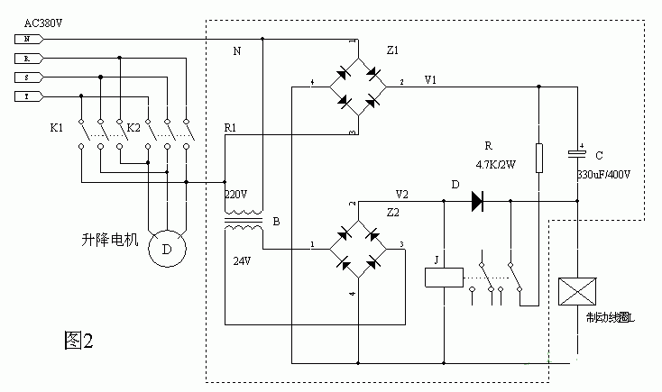
工作原理:当电机工作时(K1或K2闭合)R1~ N两端22
0V的交流电,一路经Z1整流在V1端产生220V脉动直流电,经C流过制动线圈L,由于C的电流特性是从大到小,在上电瞬间的大电流流过制动线圈L打开制动器,同时电机D得电工作;另一路经变压器B变压后输出24V交流电,经Z2整流后输出24V脉动直流电,经D流过L线圈,C充电结束后用这一较小电流继续维持L工作。由于制动线圈中流过的是直流电流,电磁铁的磁力线方向不变,所以吸合好,无噪声;当K1(或K2)断开时,电机失电,同时B失电,制动线圈L无电流流过,制动器动作,电机停转。为了使本制动系统能反复快速的多次启停,加入了放电回路J和R,电路工作时V1端24V直流电压使J吸合,J的常闭触点断开,放电回路不工作;电路停止工作时,J失电,C的电压经R和J的一组常闭触点放电,为制动器下一次启动作好准备。D为保护二极管,在电路启动时防止C的充电流流过J和击穿Z2。
元件选择:所有元件均无特殊要求,Z1用600V/3A桥堆,Z2用600V/1A桥堆,C用330uF/400V电容,B用220V/24V/20W工业变压器,J为普通小型继电器,R为47K/2W碳膜电阻,D为1A/1000V普通二极管,此电路只要组装无误,无须调试便可工作。
声明:本文为深圳华强三洋技术设计张正德原创作品,如需转载请联系作者