全球最实用的IT互联网信息网站!
AI人工智能P2P分享&下载搜索网页发布信息网站地图
24v直流电机怎么测量好坏
阅读全文2023-03-24
接触器选型的计算公式是什么
直流减速电机是有刷还是无刷 直流减速电机的拆
交流电机的分类 交流电机怎么测好坏
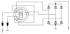
汽车的交流电机是如何工作的
直流减速电机如何接线 直流减速电机原理图
交流电机的分类
直流减速电机的工作原理 直流减速电机参数
直流减速电机优缺点 直流减速电机的作用
接触器选型要求和需考虑哪些因素
pwm控制的基本原理
日本HarmonicDrive哈默纳科谐波减速机的三大
支持工业4.0工厂的大规模定制、高质量和
机器视觉系统的主要工作流程是怎样的
CPU | 内存 | 硬盘 | 显卡 | 显示器 | 主板 | 电源 | 键鼠 | 网站地图
Copyright © 2025-2035 诺佳网 版权所有 备案号:赣ICP备2025066733号 本站资料均来源互联网收集整理,作品版权归作者所有,如果侵犯了您的版权,请跟我们联系。