时间:2023-04-06 15:36
人气:
作者:admin
产品简介
CC6924是芯进电子全新推出的一款高性能电流传感器,能够有效的测量直流或交流电流,并具有精度高、出色的线性度和温度稳定性的优点,广泛应用于光伏、工业控制、新能源及通信类设备。
工作原理
CC6924由高精度、低噪声的线性霍尔集成电路,低阻抗铜排、隔离片组成。输入电流流经内部导线,其产生的磁场在霍尔电路上感应出相应的电信号,经过内部处理电路输出电压信号。
全新的框架设计,更宽的铜排,使这一款芯片拥有很低的阻抗和抗浪涌电流的性能;介电强度更大的绝缘材料,和更大的隔离片使其具有更高的绝缘耐压和冲击耐压;
优势特性
◆内置低阻抗铜排,300μΩ,发热小
◆抗浪涌能力强,可耐受25kA冲击电流
◆冲击耐压11kV
◆隔离耐压5000VRMS
◆基本绝缘1200VRMS
◆测量范围20~150A
◆固定输出和比例输出两种模式
◆所有生产均在国内完成
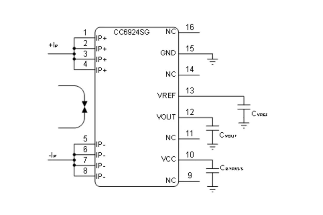
典型应用

典型应用图
应用领域
光伏领域:组串式逆变器,微型逆变器,储能逆变等
汽车领域:交流充电桩,随车充电枪等
工业自动化:工业变频器,通信电源等
封装体温度与输入电流关系

封装体温度与输入电流关系

封装体热成像图(50A)

封装体热成像图(70A)

封装体热成像图(60A)

封装体热成像图(80A)
冲击电压实验(1.2/50μs)

正向11KV

负向-11KV
冲击电流实验(8/20μs)

正向25KA

负向-25KA