时间:2022-07-21 10:48
人气:
作者:admin
大家所熟悉都用过的温湿度传感器应该是DHT11了吧,基本上学习单片机的都用过。但是DHT11的精度不是很高,湿度±5%RH,温度±1℃,而且测试的时候一般还要延时3S左右测一下,测试频率慢,而且体积大,价格大概3块多一个吧。在淘宝上搜索温湿度传感器,偶然发现AHT10传感器,价格2.5一个,体积小,精度湿度±2%RH,温度精度±0.3℃。这个是国产温湿度传感器,性价比是比较高的,所以在这里介绍一下AHT10温湿度传感器的使用。

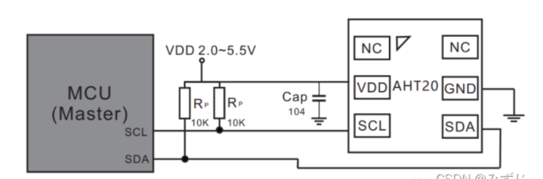
电路设计

引脚说明

通讯方式(I2C)
采用I2C的接口方式 ,i2c通讯方式:SCL --> 时钟线、SDI --> 数据线
优点
高精度,完全校准
极高的可靠性与卓越的长期稳定性
抗干扰能力强
性价比极高
产品特性(根据官方参考资料)
输入电压范围:2.3V至3.3V
出厂经过标定校准,产品具有温度补偿功能;
具有I2C接口;
超低功耗;
SMD封装;
湿度精度±3% RH(典型值);
温度精度0.5℃(典型值)。

适用场所范围
暖通空调 、除湿器
检测设备
自动控制、数据记录器
气象站、家电
医疗及其他相关湿度检测控制
工程文件
代码较多,见源码地址
https://gitee.com/delehubcode/stm32-template/blob/master/2.GraduationDesignUpdate/STM32%20AHT10.md

效果图
