时间:2023-06-07 15:31
人气:
作者:admin
在许多情况下,需要知道罐中液体的液位或空气管道内的压力。 这两种情况都是相当低的压力,很难测量。 这可以通过多种方式实现。 最简单的是观察镜或观察管,如下所示。 这样做的前提是储罐中的液体会迫使液体从观察管上升到与储罐中的液位相同的水平,或者被测量的气压会使液位升高,等于施加的压力。 单体计是测量低气压/真空的常用设备。 这在不透明或至少半透明的罐中特别有用。 在风管的情况下,没有任何可见的东西,因此需要某种外部设备。 虽然这是一种简单的方法,但它并不是特别方便,因为它需要位于储罐处或靠近被测管道。 如果需要远程监控,这没有用,如果需要任何类型的反馈,则更没用,因为它完全是手动的。
如果需要对液位进行远程监控,还有更多选择。 一个常见的例子是浮子型电阻(电位计)传感器,通常在汽车油箱液位发送单元中找到。 这些传感器工作良好,但有一些缺点。
位于油箱内
置换水箱中的一些体积
移动部件
带浮子式液位传感器的储罐
根据被测量的介质和组件的设计,这种类型的传感器可能会成为由介质本身引起的故障的受害者。 一个常见的问题是浮子吸收了它浸没在其中的介质,这将导致人为的低液位读数,因为浮子会失去一些浮力。
为了提供可靠的液位传感器,非常需要没有移动部件的液位传感器。 为此,可以使用诸如 Merit Sensor Systems 的 TR 系列之类的传感器。 TR 系列压力传感器是压阻式 MEMS 压力传感元件,与陶瓷基板上的 ASIC 配对。 该传感器可用于多种压力范围、表压或绝压测量以及自定义校准和输出。
为了实现最准确的液位读数,应使用量具部件。 这是优选的,因为作用在罐中流体上的大气压力也会作用在 MEMS 压力传感器的参考侧,即使在大气压力发生变化时也能提供最准确的读数。 在气压差测量的情况下,参考可以是大气或其他空间。 这方面的一些例子是:
建筑管道静压测量(大气到加压管道(通常为英寸水柱))
建立高管道静压(类似于常规管道静压,但如果压力超过建筑物和空气供应系统的安全水平(通常为英寸水柱),则通常连接到风扇控制器以关闭风扇)
建立空气过滤器状态(过滤器两端的压差 - 随着过滤器堵塞(通常为英寸水柱),压差更大)
建筑空间压力(两个空间之间的压差,以确保气流朝正确的方向流动 - 在洁净室中很常见(通常为十分之一英寸的水))

测量水或空气等介质的液位很困难,因为在 39°F 下测量的一英寸水仅 ≈ 0.0360911906567 PSI。 Merit 的 TR 系列提供高灵敏度(低压)配置,当校准到 5 PSIG 时,可以解析为 1 英寸的水。 使用具有更高灵敏度的不同校准和/或定制 MEMS 设备可以获得更好的分辨率。
下图显示了 5PSIG 校准和 1 PSIG 校准之间的差异。 传感器的输出存在显着差异,从而提供更好的分辨率。
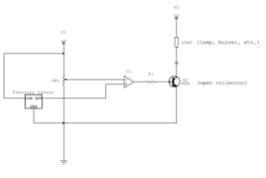
一旦选择了具有可接受分辨率的传感器,就有了传感器接口选项。 TR系列传感器从最小压力到最大压力提供0.5至4.5V的线性电压输出,并进行温度补偿。 该电压可以由系统控制器监控,也可以简单地连接到电路,例如下面的电路,它将通过 VR1 提供可变电平阈值。 这可以用作低液位指示器/警报或溢出指示器警报,具体取决于电路的配置。

可变压力液位开关/指示器的基本电路
下面是上述电路的操作示例。 这是一个理想的理论示例。 将 VR1 设置为所需电平的计算电压(在这种情况下为 10” WC,或 ~1.94V),当传感器电压达到 VR1 的设定点时,U1 的输出将变高。

无论需要可变信号,还是简单的 ON/OFF 就足够了,低压 TR 系列传感器都可以使用。 这里讨论的一些应用目前由其他传感器技术处理,但可以通过适当设计和实施的基于 MEMS 的传感器很好地处理。
审核编辑:郭婷
上一篇:车内—机油压力传感器