时间:2023-05-17 11:29
人气:
作者:admin
用于生化和医疗目的的微流体流量的测量通过微机电系统和两个压力传感器补偿集成电路(IC)进行演示。流体的流速可以通过精密加工通道上的压降来确定。整个组件安装在小型陶瓷混合组件上。
流体分析在当前的各种应用中都是必不可少的。生物学、医学分析、基因工程和许多其他领域依赖于快速、精确和可重复的化学和生物分析。自动加样和分析流体样品的工具对于经济实惠的性能至关重要。
高度专业化的电子传感器已被设计用于自动化样品分析,但液体的加样 - 仍然是一个突出的问题 - 必须物理完成。此操作通常由步进电机驱动的专用微型注射器完成。很容易想象与此类设置相关的难度和费用。
在解决这个问题的新方法中,DASA IMT和Seyonic SA(均位于瑞士纳沙泰尔)开发了流通式微流体加药,作为在太空中进行实验的工具包的一部分。如下所述,该设计的一个关键要素是微流量传感器设备。要求是:
体积小
化学惯性
温度稳定性
长期稳定性
简单、方便、全自动的重新校准
线性电压与压力输出
测量微流体流量的一种方法是测量集成到微流通道中的限制范围内的压差。压力测量使用双压阻式压力传感器进行,一个放置在限制之前,另一个放置在限制后面。
为了确保传感器不受化学腐蚀性流体的影响或改变,压力下的流体施加到传感器隔膜的背面(其单晶线硅对化学物质相对不敏感)而不是正面。这种不寻常的配置通过屏蔽传感器顶部的敏感微电子电路免受液体的影响来保护它们。为了防止机械张力造成的误差,传感器安装在厚陶瓷基板上(图1)。

图1.该横截面显示了安装在厚陶瓷基板上的双压阻式压力传感器。
压阻式压力传感器具有出色的灵敏度和再现性,但它们对环境温度的变化非常敏感。直到最近,还没有办法补偿这些误差,同时实现微流体流动传感所需的小尺寸和快速响应。解决这一问题的一种方法是新型MAX1458传感器信号处理器,它补偿压阻传感器的初始误差和温度相关误差。图2比较了未校正传感器的输出与使用该IC补偿的相同输出。

图2.前后对比表明,MAX1458传感器信号调理器降低了传感器误差。
数字和用户可编程寄存器对模拟信号路径执行全电子补偿。对于环境温度变化较大的应用,如-40°C至+125°C汽车级,MAX1458提供优于1%的总输出精度。对于更有限的量程,例如+15°C至+45°C,总压力精度接近0.1%。
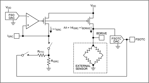
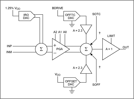
框图说明了IC的内部结构(图3a和3b)。传感器桥激励电路通过使电桥驱动电压随温度升高来抵消灵敏度的任何下降。补偿传感器桥还充当温度传感器,并且具有足够的线性,可用于校正失调漂移与温度的关系。

图 3a.传感器桥激励电路。

图 3b.差分模拟输出路径。
输出信号可在 0.5V 至 4.5V 之间调节 (采用 5V 电源工作时),并适应 10mV/V 或更高的传感器灵敏度。补偿所需的所有系数都保存在MAX1458内部的EEPROM中。因此,可通过简单的4线串行接口轻松自动校准设置。
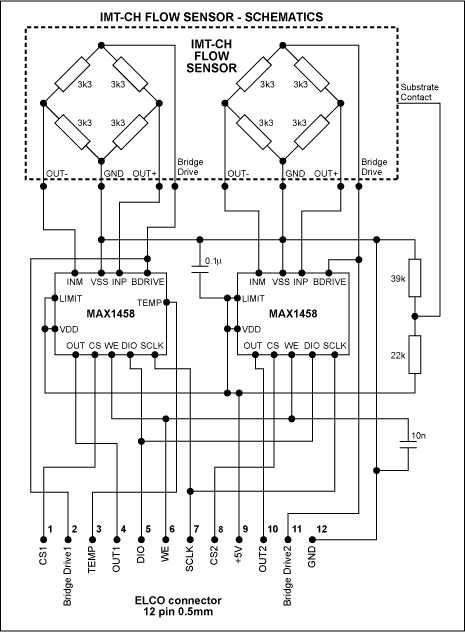
由于测得的压差与液体流速之间的关系取决于液体的粘度,而粘度又随温度而变化,MAX1458提供温度输出信号,用于外部信号处理。这种设置(图4)允许测量不高于5.5μl/sec的流速。模拟压力信号、温度传感器端子和所有其他连接都可以通过连接器进行外部后处理。

图4.压力传感器模块由一个双流量传感器和两个信号调节器IC组成。
12x19mm压力检测模块(图5)的照片说明了MCM技术:单片流量传感器模块通过引线键合到陶瓷载体上,连接到两个传感器信号处理器(MAX1458),这两个处理器也是引线键合的,并作为骰子安装。图6示出了微流体加样和分析系统,其中上述流量传感器输出作为反馈信号,以实现连续和动态的流速控制。

图5.压力传感器模块采用多芯片模块(MCM)技术,尺寸为12x19mm。

图6.在该微流体计量和分析系统中,流量传感器输出为连续流量控制提供反馈。
作者:
Bernhard Konrad,Maxim Integrated,德国
Philipp Arquint,纳沙泰尔大学微技术研究所
Bart van der Schoot,Seyonic SA,纳沙泰尔
审核编辑:郭婷
上一篇:压力传感器的量程和偏移补偿方法
下一篇:风扇控制的进步:考虑风扇速度调节