时间:2023-08-14 09:28
人气:
作者:admin
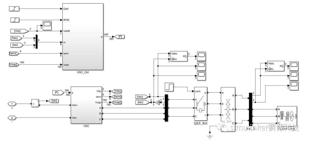
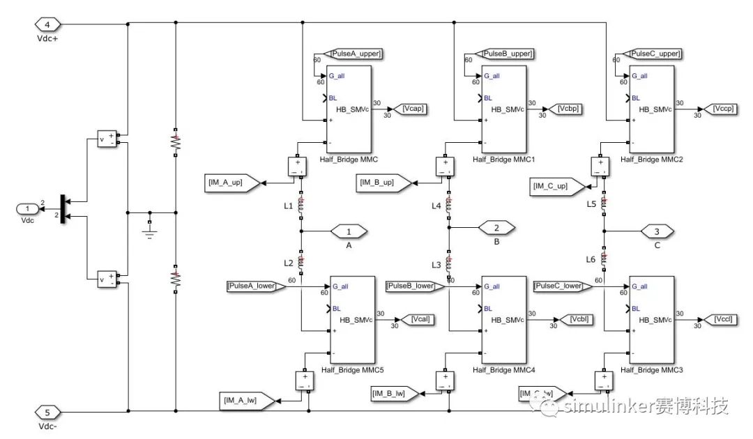
模型背景 之前那我们介绍过根据不同子模块的状态搭建的MMC子模块模型(MMC 半桥子模块电磁暂态快速模型建模)。为进一步测试所搭建模块的正确性,我们根据之前介绍的单站MMC模型(MMC最近电平逼近(NLM)算法及子模块均压算法仿真),在此基础上将原模型中的阀体模块更换为开发的子模块电磁暂态快速模型,进行仿真测试验证。 模型说明 整体模型为单站statcom运行模型,模型如下图所示,其中交流电网110kV,换流变压器为110/35kV,MMC换流器每个桥臂30个子模块,支流额定电压±30kV。换流器额定功率50MVA。控制采用双闭环控制,并带有环流抑制及子模块均压功能。

整体模型

MMC换流器部分模型
仿真结果
模型分别在加入环流抑制和不加环流抑制两种工况下进行运行测试。模型在0.5s时闭合软起开关,进行不控整流充电,3s时脉冲使能,4s时给定无功功率参考值为0.4pu,仿真结果如下。
(1)不带环流抑制

由充电至解锁直流电压

充电时直流电压

充电情况下交流电流(阀侧电流)

无环流抑制情况下桥臂电流
单个桥臂所有子模块电容电压

阀侧有功(黄色)、无功(蓝色)
(2)加入环流抑制

带环流抑制情况下桥臂电流

单个桥臂所有子模块电容电压

阀侧有功(黄色)、无功(蓝色) 通过上述仿真结果可以看出,之前提出并搭建的MMC 半桥子模块电磁暂态快速模型建模,在提升建模效率的同时,模型也具备很高的精确性。 并且自建模型可根据实际使用情况灵活开发增加功能,甚至相同的思路应用到FPGA中,进行当前流行的实时仿真测试。
责任编辑:彭菁
上一篇:爱普特微电子推出全新升级版烧录器
下一篇:设计一个计数器来讲解时序逻辑
Fidus Sidewinder-100集成PCIe NVMe 控制系统,有