时间:2023-05-25 15:06
人气:
作者:admin
跨时钟域是FPGA设计中最容易出错的设计模块,而且一旦跨时钟域出现问题,定位排查会非常困难,因为跨时钟域问题一般是偶现的,而且除非是构造特殊用例一般的仿真是发现不了这类问题的。
优秀的FPGA工程,系统工程师一定会进行合理的时钟域划分,理想的情况是整个工程只有一个时钟,完全不考虑跨时钟域的问题,但是实际的工程中一般是不存在的,因此合理的跨时钟域设计是很有必要的。

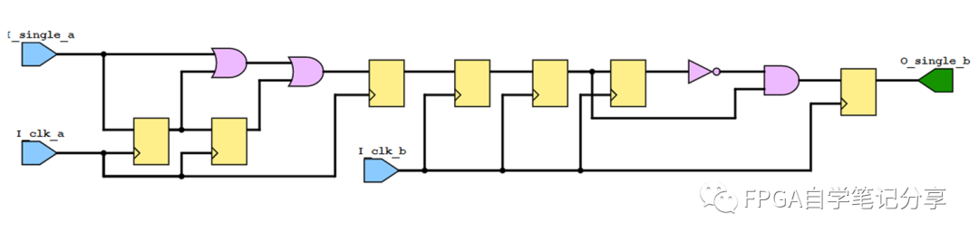
单bit慢变信号跨时钟域方法:
1、信号展宽

2、跨时钟打两拍
3、取沿

// ============================================================
// File Name: cm_cdc_1bit
// VERSION : V1.0
// DATA : 2022/9/28
// Author : FPGA干货分享
// ============================================================
// 功能:单bit慢变信号跨时钟域模块
// ============================================================
`timescale 1ns/1ps
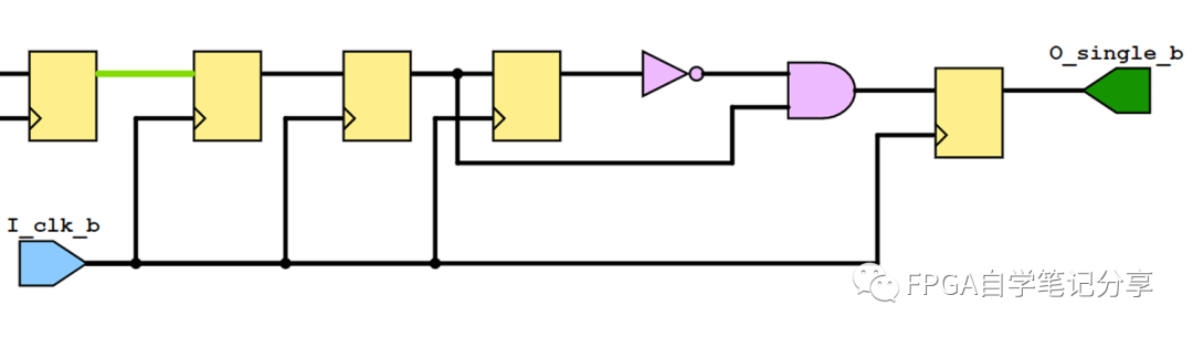
module cm_cdc_1bit (
input wire I_clk_a , ///输入时钟a
input wire I_clk_b , ///输入时钟b
input wire I_single_a , ///a时钟输入信号
output reg O_single_b ///b时钟输出信号
);
// ============================================================
// wire reg
// ============================================================
reg S_clr_flag_a_d0 ;
reg S_clr_flag_a_d1 ;
reg S_clr_flag_a_all ;
reg S_clr_flag_b_d0 ;
reg S_clr_flag_b_d1 ;
reg S_clr_flag_b_d2 ;
reg S_clr_b_posedge ;
// ============================================================
// a时钟域
// ============================================================
always @(posedge I_clk_a)
begin
S_clr_flag_a_d0 <= I_single_a;
S_clr_flag_a_d1 <= S_clr_flag_a_d0;
end
///跨时钟域之前先扩展
always @(posedge I_clk_a)
S_clr_flag_a_all <= I_single_a|S_clr_flag_a_d0|S_clr_flag_a_d1 ;
// ============================================================
// b时钟域
// ============================================================
///使用第二个时钟进行打拍
always @(posedge I_clk_b)
begin
S_clr_flag_b_d0 <= S_clr_flag_a_all;
S_clr_flag_b_d1 <= S_clr_flag_b_d0 ;
S_clr_flag_b_d2 <= S_clr_flag_b_d1 ;
end
//打两拍之后的信号进行处理
always @(posedge I_clk_b)
O_single_b <= (!S_clr_flag_b_d2)&(S_clr_flag_b_d1);
endmodule

上一篇:FPGA设计中如何防止信号被优化
下一篇:FPGA跨时钟域处理方法(二)
Fidus Sidewinder-100集成PCIe NVMe 控制系统,有