时间:2023-05-25 15:22
人气:
作者:admin
上一篇文章我们讲了二进制转gray码,这次我们聊一下gray码转二进制码。
格雷码解码:
原码:b[0~n]; 格雷码:g0~n; 解码:b=F(g);
??:b[n]=g[n],b=g XOR bI+1.


代码如下:
//============================================================
// File Name: cm_gray2bin
// VERSION : V1.0
// DATA : 2022/10/2
// Author : FPGA干货分享
// ============================================================
// 功能:二级制编码转格雷码
//
// 原码:b[0~n];格雷码:g[0~n](n∈N);编码:g=G(b);解码:b=F(g);
// 编码:g=b XOR b[i+1](i∈N,0≤i≤n-1),g[n]=b[n];
// 解码:b[n]=g[n],b=g XOR b[i+1](i∈N,0≤i≤n-1).
//
// ============================================================
`timescale 1ns/1ps
module cm_gray2bin #(
parameter C_DATA_WIDTH = 4 )
(
input wire I_sys_clk , ///输入时钟
input wire [C_DATA_WIDTH-1:0] I_data_gray , ///输入gray码
output reg [C_DATA_WIDTH-1:0] O_data_bin ///输出二进制数据
);
// ============================================================
// wire reg
// ============================================================
wire [C_DATA_WIDTH-1:0] S_data_bin ;
// ============================================================
// main code
// ============================================================
assign S_data_bin[C_DATA_WIDTH-1] = I_data_gray[C_DATA_WIDTH-1];
assign S_data_bin[C_DATA_WIDTH-2:0] = I_data_gray[C_DATA_WIDTH-2:0]^S_data_bin[C_DATA_WIDTH-1:1];
always @(posedge I_sys_clk)
O_data_bin <= S_data_bin;
endmodule
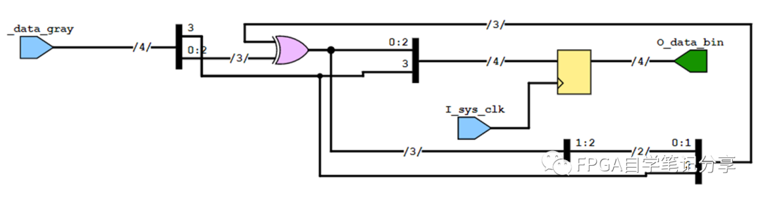
代码综合结果如下:

仿真如下:

下一篇:什么是VC02虚拟元器件仿真器
Fidus Sidewinder-100集成PCIe NVMe 控制系统,有