时间:2023-03-13 10:28
人气:
作者:admin
一、概述
LUT中文名字叫查找表。以7系列的FPGA为例,每一个Slice里面有四个LUT。FPGA就是通过LUT实现大量的组合逻辑,以及SLICEM里面的LUT还可以构成RAM,Shift Register,以及Multiplexers。这篇文章我们一起来学习LUT如何构成组合逻辑。
二、LUT实现原理
LUT,中文名字叫做查找表,其原理其实也就是一个一个查找表,根据输入去找到相应位置的信号,然后做输出。说白了就好像一个小容量的ROM,把输入当作地址信号,对LUT里面预存的内容进行寻址。
7系列的FPGA的LUT有6个输入端口(A1-6),然后有两个输出端口(O5,O6)。下图是SLICEL里面的LUT。

其可以实现6输入的布尔组合逻辑函数,输入信号为A1,A2,A3,A4,A5,A6,输出端口为O6。如下
O6=f(A1,A2,A3,A4,A5,A6)
其实现方式就是将输入(A1,A2...A6)对应的输出在LUT里面预存好(这一步在我们用bit文件配置FPGA时实现),然后把输入信号当作地址信号去把对应的输出信号调出来。
同样其还可以构成两个5输入的布尔组合逻辑函数,其中这两个函数共用5个输入信号(A1,A2,A3,A4,A5),A6被拉高,O5,O6分别是两个布尔逻辑的输出。
O5=f(A1,A2,A3,A4,A5)
O6=f(A1,A2,A3,A4,A5)
故这也相当于实现的是一个5输入2输出的逻辑函数。
[O5,O6]=f(A1,A2,A3,A4,A5)
三、总结与提升
总结一下,就好比单个LUT里面可以预存 2^6=64个结果。那么单个LUT可以实现
(1)输入信号最多为6bit,输出信号为1bit的的布尔逻辑函数;
(2)输入信号最多为5bit,输出信号为2bit的逻辑。
一个SLICE里面有四个LUT故最多可以预存的输出信号个数为 2^6*4=2^8。
因此在一个SLICE里面,借助选择器将多个LUT进行互连,可以实现输入数,输出数最多为如下所示的逻辑。
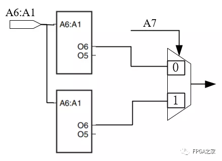
(1)2个LUT通过互连可以构成7bit输入,单bit输出的逻辑。实现方式为两个LUT的输入信号A1,A2,A3,A4,A5,A6接到一起,输出信号经过选择器选择输出,选择器的选择信号也是逻辑函数的一个输入信号。
将逻辑函数的输出送到Storage Element便可以形成同步时序逻辑。

(2)4个LUT通过互连可以构成8bit输入,单bit输出的逻辑。实现方式大家可以根据上面的实现方式自行推理。
(3)2个LUT通过互连可以构成6bit输入,2bit输出的逻辑。实现方式自行推理。
(4)4个LUT通过互连可以构成7bit输入,2bit输出的逻辑。实现方式自行推理。
超过8输入的布尔逻辑就需要多个SLICE来实现。
审核编辑:汤梓红
上一篇:FPGA伪红外图像处理过程演示
下一篇:OFDM技术的基本原理
Fidus Sidewinder-100集成PCIe NVMe 控制系统,有