全球最实用的IT互联网信息网站!
AI人工智能P2P分享&下载搜索网页发布信息网站地图
浅析FPGA加速图数据库查询执行的步骤
阅读全文2023-02-23
基于FPGA的PCIE总线设计(上)
如何使PLC编程更容易呢?
浅析高端SerDes集成到FPGA中的挑战
阅读全文2023-02-22
高端SerDes集成到FPGA中的挑战
聊一下Efinity的一些功能及个人使用感受
阅读全文2023-02-21
FPGA上的二维片上网络支持高带宽数据加速应用
阅读全文2023-02-20
Xilinx IP GTY调试心得
Vivado 2019.2安装教程介绍
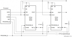
串行配置和并行配置模式下的多片FPGA配置数据流
英特尔FPGA 支持阿里云的加速即服务
使用Linux UIO框架实现ARM和FPGA的高效通信
英特尔Agilex FPGA在双轴电机控制系统的应
FPGA外接FT232H配置FIFO实现USB通信回环测试
CPU | 内存 | 硬盘 | 显卡 | 显示器 | 主板 | 电源 | 键鼠 | 网站地图
Copyright © 2025-2035 诺佳网 版权所有 备案号:赣ICP备2025066733号 本站资料均来源互联网收集整理,作品版权归作者所有,如果侵犯了您的版权,请跟我们联系。