全球最实用的IT互联网站!
人工智能P2P分享搜索全网发布信息网站地图标签大全
应对机器人设计开发要面对什么挑战
阅读全文2019-11-21
国内机器人系统集成商现在的情况怎样
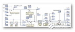
基于ARM的嵌入式服务机器人是怎样的情况
格兰仕12套洗碗机用科技解放双手 让家人体会到
新松机器人家族首次亮相泰国 为机器人“下南洋
磁性软机器人的简单操作方法概述
ElectroSkin机器人皮肤亮相 是下一代软体机器人的
智能茶吧吸引大家关注 机器人推动了智能餐饮的
工业4.0下 机器人换人将是未来发展的趋势
高空幕墙清洗机器人落地武汉 备受各方面的关注
聚焦AI新赛道,elexcon深圳国际电子展暨嵌
花20亿收购一家上市公司,“稚晖君”速
ABB推出三大全新机器人系列
FLIR Lepton红外热像仪模组在工业巡检机器
CPU | 内存 | 硬盘 | 显卡 | 显示器 | 主板 | 电源 | 键鼠 | 网站地图
Copyright © 2025-2035 诺佳网 版权所有 备案号:赣ICP备2025066733号 本站资料均来源互联网收集整理,作品版权归作者所有,如果侵犯了您的版权,请跟我们联系。