时间:2010-05-30 11:24
人气:
作者:admin
本文介绍的语音红外转发器具有结构简单、易于制作、无干扰、低噪声的特点。
工作原理:
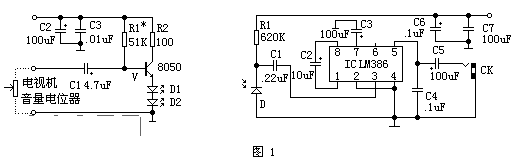
转发器由发射和接收两部分组成。见附图1。鉴频后的伴音(音频)信号经三极管V放大后推动红外发射管。由于发射管的发光强度与通过的电流成正比,所以D1、D2所发出的红外光线便受到音频信号的调制。为了防止失真,D1、D2要设置一定的偏置。
接收部分采用一块音频放大集成电路LM386。D为红外线接收管。当被音频信号调制的红外光照到D时,在其两端产生一个与音频信号变化规律相同的电信号,经C1耦合至IC,进行放大。由于IC具有功率放大的能力,所以可以同时供1-4副耳机收听。


元件选择:
三极管V选用8050中功率管,Pcm=300mW,Icm=500mA,R2的功率要在1/4W以上。D为红外线接收管(不要选用光电二极管,以免受干扰,影响接收效果),其它均为通用件。
安装调试:
调节发射部分三极管V的静态电流在30mA左右。接收部分只要安装无误,不需调试即可工作。发射部分可以安装在电视机内部,采用机内12V电源供电。信号输入A、B端,接到音量电位器两端即可。对于采用集成电路的直流音量控制的电视机,可以将A、B两端接到喇叭的两端。不过要增加一只开关,将喇叭关断(也可利用耳机输出插孔),调节音量电位器,使其转发距离最远且不失真。两只发射管安装时,要考虑其辐射区范围。红外发射管的辐射角一般在60度左右,所以安装时要使它们的辐射有一部分重迭,如图2所示。
本转发器的设计接收灵敏度较低,其目的是增加抗干扰能力。经实测,其有效转发距离大于3米,可以满足家庭需要。
上一篇:电报收发信机电原理及设计实现
下一篇:电台写频器原理及设计实现