全球最实用的IT互联网站!
人工智能P2P分享搜索全网发布信息网站地图标签大全
MAX3540 ATSC/NTSC调谐器
阅读全文2010-04-10
传感网领域中国物联网第一个获国际标准
实施隔离以进行通信
阅读全文2010-04-09
嵌入式USB的以太网应用系统设计
大唐移动FODCA算法削减同频干扰
TD-LTE微微蜂窝基站测试
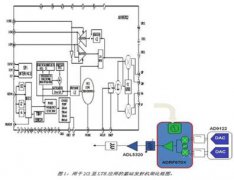
针对下一代LTE基站发射机的RF IC集成设计策略
SIP协议的IP电话通信系统的组成原理
以日本电信业发展来看3G时代运营商面临的挑战及
用于时间交织ADC的高精度开环跟踪保持电路设计
无线连接Wi-Fi设备将帮助您解决三大设计
6G的下一步:太赫兹技术新进展
摩尔斯微电子与移远通信合作,将Wi-Fi
移远通信携手MediaTek在悉尼科技大学开展
CPU | 内存 | 硬盘 | 显卡 | 显示器 | 主板 | 电源 | 键鼠 | 网站地图
Copyright © 2025-2035 诺佳网 版权所有 备案号:赣ICP备2025066733号 本站资料均来源互联网收集整理,作品版权归作者所有,如果侵犯了您的版权,请跟我们联系。