全球最实用的IT互联网信息网站!
AI人工智能P2P分享&下载搜索网页发布信息网站地图
[组图]单片窄带调频接收电路——MC13135
阅读全文2006-04-15
[组图]高性能小功率FM接收芯片NE605及其应用
[图文]高保真调频调谐器
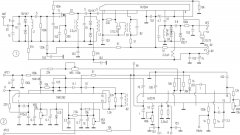
[组图]金叶GL-891调频收音机原理剖析
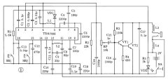
[图文]用μPC1366提高收音机灵敏度
[图文]自动搜索调频收音机
[组图]数字调谐收音机接收SSB/CW信号附加器
[组图]德生PL550收音机购买日记
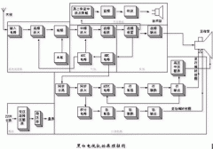
[组图]电视知识问答(二)
[图文]电视知识问答(一)
无线连接Wi-Fi设备将帮助您解决三大设计
6G的下一步:太赫兹技术新进展
摩尔斯微电子与移远通信合作,将Wi-Fi
移远通信携手MediaTek在悉尼科技大学开展
CPU | 内存 | 硬盘 | 显卡 | 显示器 | 主板 | 电源 | 键鼠 | 网站地图
Copyright © 2025-2035 诺佳网 版权所有 备案号:赣ICP备2025066733号 本站资料均来源互联网收集整理,作品版权归作者所有,如果侵犯了您的版权,请跟我们联系。