全球最实用的IT互联网信息网站!
AI人工智能P2P分享&下载搜索网页发布信息网站地图
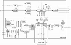
DTMF信号发送/接收电路芯片MT8880
阅读全文2006-03-11
基于FPGA的HDLC转E1传输控制器的实现
频率匹配的原理及其硬件实现
利用50W实验设备测定75W电路的S参数
纵观3G基站开发的变化
基于LM9627的JPEG2000压缩与传输系统
VoIP电话接口设计
WLAN标准GB15629.11安全机制—WAPI协议解析
DTFM信号生成与检测 (1)
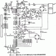
新型FSK/DTMF兼容电话主叫显示器的设计
无线连接Wi-Fi设备将帮助您解决三大设计
6G的下一步:太赫兹技术新进展
摩尔斯微电子与移远通信合作,将Wi-Fi
移远通信携手MediaTek在悉尼科技大学开展
CPU | 内存 | 硬盘 | 显卡 | 显示器 | 主板 | 电源 | 键鼠 | 网站地图
Copyright © 2025-2035 诺佳网 版权所有 备案号:赣ICP备2025066733号 本站资料均来源互联网收集整理,作品版权归作者所有,如果侵犯了您的版权,请跟我们联系。