时间:2022-10-25 10:41
人气:
作者:admin
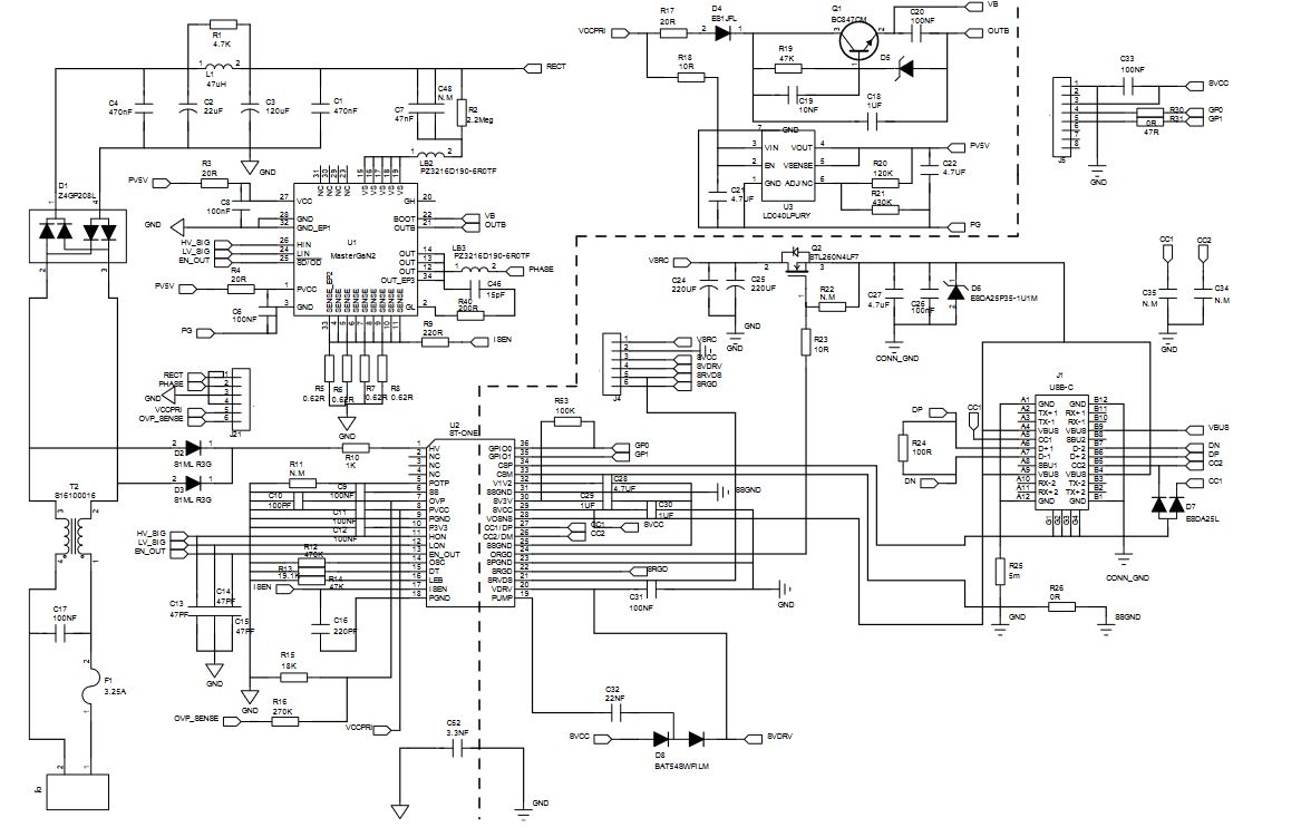
STDES-65ACFADP是一款用于USB Type-C的65W 有源箝位反激式适配器参考设计,在整个操作负载范围和通用电源输入电压范围内均显示出高效性能。该参考设计为采用平面变压器技术的紧凑型解决方案开辟了道路,并提供满载时的峰值效率为93.7%。它还满足CoC 2级和DoE 6级平均效率要求。软开关拓扑有助于降低开关损耗,同时低静态电流消耗使其成为同类产品中最佳的空载消耗。该DEMO板主要用ST-ONE数字控制器来实现专有的ZVS有源箝位反激,具有低RMS电流,从而实现了高性能。该控制器承诺提高广泛的AC-DC适配器的效率,包括笔记本电脑和智能手机充电器,完全符合USB-PD 3.1。使用ST-ONE中嵌入的同步整流数字控制将二次损耗降至最低。初级侧由于MasterGaN2的性能,降低了开关和传导损耗,消除了反向恢复损耗,从而确保了更高的效率。高度集成的MasterGaN IC,所以无需再考虑GaN驱动的复杂性,即可享受GaN技术的好处,增强了应用的稳定性和PCB布局的简化。
新型ST-ONE控制器基于先进的氮化镓(GaN)半导体技术驱动ST MasterGaN功率输出模块。氮化镓晶片可显著节省能源并缩小设备尺寸。USB Type-C的设计者™ 符合Power Delivery标准的适配器和壁装充电器可以从ST-ONE+MasterGaN中受益,这是用于USB-PD充电器的最高功率密度解决方案。
MasterGaN的设计,展示了新款高集成度器件如何提高功率密度、能效,简化产品设计,缩短上市产品上市时间。利用GaN功率晶体管的高能效,参考设计一次侧采用无散热器设计。此外,GaN晶体管的开关性能出色,工作频率高于普通硅基MOSFET解决方案,因此可以使用较小的电磁元件和电容,实现更高的功率密度和更低的物料清单成本。ST的MasterGaN是集成一个STDRIVE半桥栅极驱动器和两个650V增强型GaN晶体管,目前MasterGaN系列有对称和非对称配置的MasterGaN1/2/3/4/5,其中MasterGaN1/4/5是对称配置集成了两个上下管内阻一样的GaN,采用9mm x 9mm的薄型GQFN封装,封装内部电路额定电压最高650V,高低压焊盘之间的最高爬电距离超过2mm。
MASTERGAN2是一款先进的封装电源系统,集成了一个栅极驱动器和两个不对称半桥结构的增强型GaN晶体管。集成功率GaN具有650 V漏源阻断电压和150 m的RDS(ON)Ω 和225米Ω 分别用于低端和高端,而嵌入式门驱动器的高端可以很容易地由集成自举二极管提供。MASTERGAN2在下部和上部驱动部分都具有UVLO保护功能,可防止电源开关在低效或危险条件下运行,联锁功能可避免交叉传导条件。输入引脚扩展范围允许与微控制器、DSP单元或霍尔效应传感器轻松连接。该器件采用紧凑的9x9毫米QFN封装。工作温度范围在-40°C至125°C的工业级产品。
ST-ONE是世界上第一个将基于Arm®Cortex®-M0+内核的可编程脱机电源控制器、内置64kB闪存、高压启动电路、同步整流控制器和USB电源传输(USB-PD)电路集成在一个软件包中的具有二次侧数字离线控制器,通过USB-PD 3.1 PPS 认证。它针对基于新型非互补有源钳位反激拓扑的设计进行了优化,该拓扑在65 W以上的大功率设计中比其他拓扑具有更高的效率。专门用于采用智能充电解决方案(包括USB-PD)的有源箝位反激变换器。该设备在一次侧包括一个有源钳位反激控制器及其启动,在二次侧包括微控制器和控制转换和通信所需的所有外围设备。双方通过嵌入式电隔离通信信道连接。设备在出厂时已加载固件,该固件处理电源转换和USB-PD的通信协议,包括可选PPS和电子标记电缆管理、SCP、FCP和QC 3.0 HVDCP B级。通过使用非互补的有源钳位反激和专用电源模式,该设备可以实现高效率和低空载功耗。专用内存存储出厂过程中的默认设备配置。用户可以更改或调整此存储区域以符合最终产品规格。







1, 较少的外部辅助器件,集成32位 Cortex M0+ core 实现数控一体平台;
2, 超高功率密度(30W/inch3),有利于产品小型化;
3, 高达1MHz的开关频率操作,适用于GaN和平面变压器;
4, 优化同步整流数字控制,嵌入式6 kV电气隔离;
5, 内部嵌入式高压启动、X-CAP自放电线路和负载开关功能,各种安全保护线路;
6, 非常紧凑及简单的PCB布板;
•通用输入电源范围:90 Vac至264 Vac-频率47 Hz至63 Hz
•输出电压范围:5 VDC-20 VDC
•PD输出:–五个固定PDO: 5V@3A,9V@3A,12V@3A,15V@3A,20V@3.25A.
•输出功率:20 V-3.25 A,最大65 W。
•形状系数:54 mm(长)*31 mm(宽)*25 mm(高)
•效率:满足CoC Tier 2和DoE Level 6效率要求,最高效率为93.7#0伏交流电压65瓦
•ACF一次侧和二次侧的数字控制
•集成GaN IC MASTERGAN2
•紧凑、简化的PCB布局,减少材料清单 •符合EMC:CISPR32B/EN55032B
•平面变压器技术,实现高功率密度
上一篇:烤箱专用无刷直流电机
下一篇:树脂封装电机