时间:2023-08-10 15:29
人气:
作者:admin
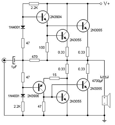
该晶体管功率放大器电路仅使用准互补放大器配置中的四个晶体管,即可以低成本向 4 欧姆负载提供 90W 的功率。

如图所示的晶体管功放电路,除了电源变压器和扬声器外,电路中没有昂贵的元件。如图所示,除了电源变压器和扬声器外,该电路中没有昂贵的元件。输入级由这两个电流驱动器直接升起一对晶体管的输出级组成。
晶体管级端 (2N3055) 安装在散热器上,以保持这些设备的使用寿命。在末级输出端由一个电源(80Vcc)支持,在扬声器之前放置一个电容器来阻止直流电流,并跳过音频信号。
90 W 音频功率放大器的供电电路必须足以提供每通道音频 1.5A 的电流。因此,四个音频通道需要操作立体声音响3A和6A所需的功率。
90 W 音频功率放大器零件清单:
电阻:2.2K (2)、47 欧姆 (3)、470 欧姆、100 欧姆、15 欧姆、0.33 欧姆 (4)
电容:1uF、4700uF
二极管:1N4001 (2)
晶体管:2N3904 , 2N3906, 2N3055(4)