时间:2023-05-25 14:36
人气:
作者:admin
一、前言
电动平衡车又叫体感车,市场上主要有独轮和双轮两类。它的原理和动态稳定有关,也就是车辆本身的自动平衡能力。
两轮电动平衡车采用两个轮子支撑,蓄电池供电,无刷电机驱动,加上单片机控制,姿态传感器采集角速度和角度信号,共同协调控制车体的平衡,仅仅依靠人体重心的改变便可以实现车辆的启动、加速、减速、停止等动作。

二、MOS管应用及产品优势
电动平衡车具有旋转灵活、携带方便、驾驶简单、绿色环保等多方面优势,兼具代步与娱乐双重属性,已在代步、娱乐、商用等诸多领域得到了广泛应用。随着人工智能技术、大数据分析技术以及5G通信技术的应用,未来智能短交通应用领域将更加广泛、产品功能更加丰富、成本逐步下降,平衡车市场需求快速增长,智能短交通行业将迎来快速上升周期。
电动平衡车系统分为有刷直流电机和无刷直流电机两种,二者各有优劣。
有刷直流电机的优点是起步快,而且反应特别灵敏,控制起来比较简单。缺点是寿命较短。
无刷直流电机系统大多都是机电一体化的平衡车,寿命可长达7-10年,数字变频调速更加容易,而且耗电量差不多只是有刷电机类的1/3左右。缺点是造价比较高,市场售价偏高一些。

低压SGT MOS产品优势:
1、在VDS耐压方面, 能保证耐压性能;
2、Vth一致性高,适合多管并联;
3、在脉冲漏极电流Id(pluse)方面, 能抵抗高浪涌电流冲击;
4、在MOS管导通损耗方面, 具有更低导通损耗,可节省电能;
在MOS管体二极管的反向恢复时间Trr方面, 具有更低反向恢复损耗;产品性能有效提高了续航里程,节能减排和车辆使用寿命。
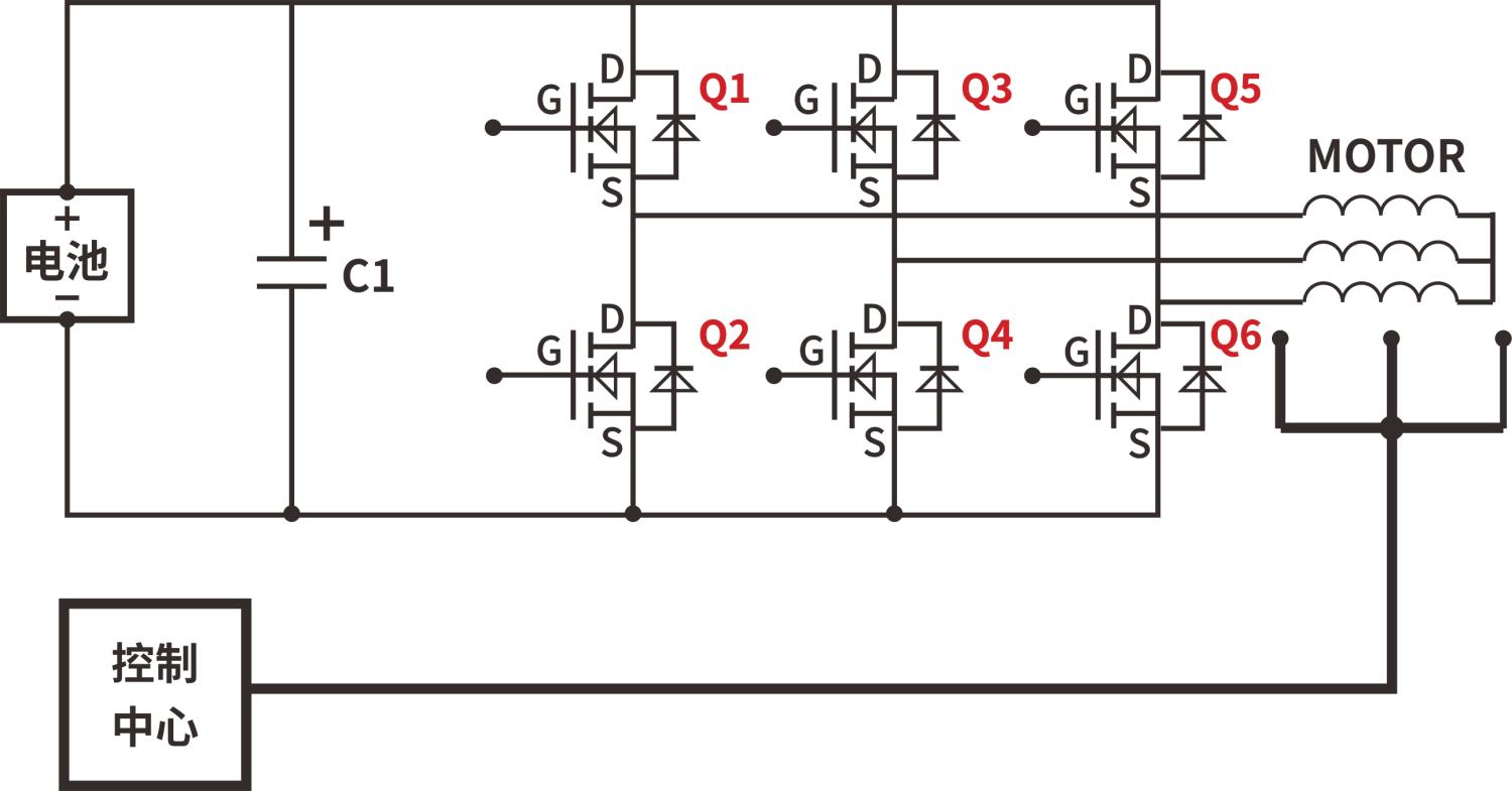
三、典型应用拓扑图

四、不同电压选型推荐
根据电动平衡车不同电压而选择不同耐压的MOS管:
1、24V电池会选用60V耐压的MOS:RS60N130G、RS60N200T;
2、36V电池会选用85V耐压的MOS:RS85N140T、RS85N140S、RS85N150T、RS85N150S;
3、48V电池会选用100V耐压的MOS:RS100N135HT、RS100N135HS、 RS100N190T、RS100N190S、RS100N200S。
五、瑞森半导体产品选型表
瑞森半导体低压SGT MOS系列型号表如下: