时间:2022-10-18 10:22
人气:
作者:admin
当今世界,通过蓝牙与智能手机进行连接的无线耳机已经成为了流行趋势。随后TWS耳机市场的不断成长起来,消费者又对ANC主动降噪的需求逐年增加,但是,用户对于产品体验的需求也从简单的需求,升级到更高的标准,ANC降噪功能已经成为高端耳机的标配和卖点,制造商可以利用该特性打造差异化的产品。譬如,市面上不仅涌现了大量的以清晰通话为卖点的TWS耳机,而且客户对耳塞与耳部贴合舒适度有极大的要求!总之:音质要好,体积不能大,戴着要舒适;功耗要小,不仅要有LE Audio,听起来还很Snapdragon!这真是集大成啊!不仅如此,最最关键的是,还要价格低廉!于是就出现了QCC3072。
由此看来,QCC3072 混合降噪方案 有很大的竞争力:
1、功能全:Aptx ,三麦CVC通话降噪 ,第三代ANC, LE Audio,功能样样齐全;
2、音质好:以上功能全面保证音质;
3、集大成,功耗小:集成了对语音助手、顶级无线音质、更持久电池续航等诸多特性的支持。
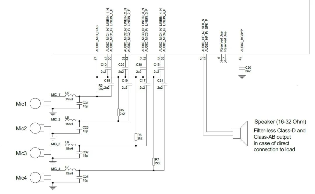
1、硬件原理图


2、软件开发过程
2.1. 环境配置
在使用 QCC3072 前,请确保下载并安装好以下软件
1)MDE:MDE WIN 2.6.1 或以上版本
2)Toolkit :ADK_Toolkit.WIN.1.2 Release, v1.2.14.9 或以上版本
3)ADK:ADK 22.2 (r00189.1)
2.2. 开发流程
1)、打开MDE工具,MDE版本:2.6.1 ,点击Open Project 打开ADK 22.2 (r00189.1),选择3072 的Earbud 工程

2)、设置宏定义
首先设置有关的宏,

打开ANC与 :ENABLE_ANC

3)、Microphone 配置
earbud 工程可以配置麦克风,其中 有定义 MAX_SUPPORTED_MICROPHONES
#define MAX_SUPPORTED_MICROPHONES 6
在 \src\domains\audio\microphones\microhones_config.h 有MIC 的相关设置
//!@{ @name Parameters for microphone 0 - Left analog MIC */
#define appConfigMic0Bias() (BIAS_CONFIG_MIC_BIAS_0)
#define appConfigMic0BiasVoltage() (3) /* 1.9v */
#define appConfigMic0Pio() (0x13)
#define appConfigMic0Gain() (0x5)
#define appConfigMic0IsDigital() (FALSE)
#define appConfigMic0AudioInstance() (AUDIO_INSTANCE_0)
#define appConfigMic0AudioChannel() (AUDIO_CHANNEL_A)
//!@}
//!@{ @name Parameters for microphone 1 - Right analog MIC */
#define appConfigMic1Bias() (BIAS_CONFIG_MIC_BIAS_0)
#define appConfigMic1BiasVoltage() (3) /* 1.9v */
#define appConfigMic1Pio() (0x16)
#define appConfigMic1Gain() (0x5)
#define appConfigMic1IsDigital() (FALSE)
#define appConfigMic1AudioInstance() (AUDIO_INSTANCE_0)
#define appConfigMic1AudioChannel() (AUDIO_CHANNEL_B)
//!@}
接下来,配置麦克风的 ANC 模式或者 ANC 与 cVc 共享的Run Mode模式,在\src\domains\audio\kymera\kymera_config.h 中
Hybrid ANC example (with 1-mic cVc sharing and mixed mic configuration):
//!@{ @name ANC configuration for hybrid mode */
#define appConfigAncPathEnable() (hybrid_mode_left_only)
/*! Disable ANC tuning functionality */
#define appConfigAncTuningEnabled() (FALSE)
#define appConfigAncTuningMonitorMic() (microphone_none)
/* Use microphone 3 (digital mic) for ANC feed-forward */
#define appConfigAncFeedForwardMic() (microphone_3)
/* Use microphone 1 (analog mic) for ANC feed-back */
#define appConfigAncFeedBackMic() (microphone_1)
/* ANC filter mode selection in default case */
#define appConfigAncMode() (anc_mode_1) //!@}
/*! microphone to use for the first SCO mic */
#define appConfigVaMic1() (microphone_3)
/*! microphone to use for the second and third SCO mics. These should be defined as microphone_none if using 1-mic CVC */
#define appConfigMicExternal() (microphone_none)
#define appConfigMicInternal() (microphone_none)
3、运行调试与测试
3.1 Build /Deploy
Build 后,然后单击Deploy All,就可以把程序下载到板子上

3.2 运行
程序下载后,启动,默认MFB按键3s 可以 进入 Anc Enable 模式或则用Python Debug 输入,Debug 命令:apps1.fw.call.EarbudTest_SetAncEnable()即可进入 ANC Mode
3.3 测试
打开 QACT ,就进入ANC 的调试界面,在 ANC View 选项上,可以进行ANC 的调试,把调试好的参数保存成htf 文件,复制到ADK 中,就生效了

结语:
以上是方案的介绍与功能演示,基于Qualcomm QCC3072 通话音质高保真的混合降噪方案,更全面的舒适体验,这种功能效果是不是你追求的用户体验呢,如果是的话,就赶紧领回去做产品吧,如有疑问,请在方案下方评论留言提问,或者私信给我!
收到之后会第一时间回复哦,想要了解更多新颖实惠的方案!请多多关注小编与大大通平台,我们会不断分享最新的热点技术,
好啦,谢谢大家观看啦!我们下期见!
►展示板照片


►方案方块图

►核心技术优势
1、蓝牙v5.3规范,支持LE Audio
2、支持LE Audio Broadcast Receiver (BMR), LE Audio Unicast Music Receiver (UMR)和立体声录音
3、支持高通第三代ANC(降噪深度可达-36db)
4、支持 Google Fast Pair 5、支持Google和Amazon 语音助手 6、支持Aptx adaptive ,Aptx Voice,aptX HD
►方案规格
1、高通TrueWireless 立体声耳机
2、180MHz Kalimba音频DSP
3、高性能的24位音频接口
4、灵活的PIO控制器和具有PWM支持的LED引脚
5、串行接口:UART,位串行器(I²C/ SPI),USB 2.0
6、支持 Qualcomm 主动降噪 (ANC) – 前馈、反馈和混合 – 以及自适应主动降噪
7、aptX,aptX Adaptive和aptX HD,Snapdragon Sound音频.
8、超小外形 99-ball 4.930 mm x 3.936 mm x0.57 mm, 0.4 mm pitch WLCSP
9、音频接口:24bit I2S, 2x DAC(支持差分ClassAB和ClassD)