时间:2021-12-05 19:16
人气:
作者:admin
FP6195是一个内置MOS的降压调节器。它可以在一个宽的输入电源范围提供0.8A连续输出电流,具有良好的负载调整率。电流模式操作提供了快速的瞬态响应,并提高了回路的稳定。自带可调过电流保护和过温保护功能。内部软启动减少了通电时对输入源的压力。
特色
➢ 输出电流可达0.8A
➢ 工作电压范围 9V~60V
➢ 输出电压范围 0.812V~VIN*0.9
➢ 关机耗电流小于 1μA
➢ 固定工作频率 480KHz
➢ 内置软启动
➢ 可调过电流保护(OCP)
➢ 过温保护(OTP)
➢ 封装 SOT23-6L
应用案例:
1、WIFI模块供电:用FP6195给WIFI无线模块供电
2、液晶屏供电:用FP6195给液晶屏驱动和屏幕供电
3、兼容MP2459:完全兼容MP2459且具有更强的驱动能力
封装脚位

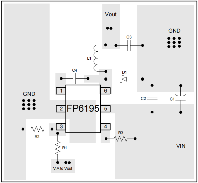
应用电路图

布板建议

1.由GND、SW和VIN组成的回路应保持短、直接和宽。
2.将CIN放置在IN引脚附近,以保持输入电压稳定,并过滤掉脉冲电流。
3.电阻式分压器R1和R2必须尽可能紧密地直接连接到FB引脚上。
4.FB是一个敏感的节点。请不要切换节点SW,一个很好的方法是将反馈跟踪发送到另一层上的反馈跟踪,并在顶部和反馈跟踪路由层之间有一个基平面。这减少了DC-DC转换器自身的电磁干扰辐射。