全球最实用的IT互联网信息网站!

AI人工智能P2P分享&下载搜索网页发布信息网站地图

当前位置:诺佳网 > 电子/半导体 > 音视频/家电 >

100W音频阀放大器电路分享

时间:2023-05-13 17:33

人气:

作者:admin

标签: 音频电  真空管 

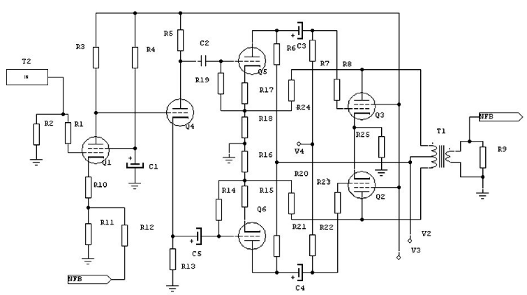
导读:这款 100 W 音频阀放大器电路可以产生高达 100 瓦的输出,具有出色的音频质量。放大电路由一组真空管组成。对于发烧友来说,真空管放大器是特别的东西。...

这款 100 W 音频放大器电路可以产生高达 100 瓦的输出,具有出色的音频质量。放大电路由一组真空管组成。对于发烧友来说,真空管放大器是特别的东西。

由于真空管用作高压电源,那么在组装时一定要小心,以免触电伤害您。

pYYBAGRfWTyAB1sfAAEgwB9egJM327.png

100 W 音频阀放大器电路零件列表:

pYYBAGRfWUGAQmiwAACM4Vy93ag804.png

poYBAGRfWUeAbn0rAABKTDiCyVA134.png

温馨提示:以上内容整理于网络,仅供参考,如果对您有帮助,留下您的阅读感言吧!
相关阅读
本类排行
相关标签
本类推荐

CPU | 内存 | 硬盘 | 显卡 | 显示器 | 主板 | 电源 | 键鼠 | 网站地图

Copyright © 2025-2035 诺佳网 版权所有 备案号:赣ICP备2025066733号
本站资料均来源互联网收集整理,作品版权归作者所有,如果侵犯了您的版权,请跟我们联系。

关注微信